LEMON Manuals: Even more car manuals for everyone
Home >> Hummer >> 2003 >> H2 >> Repair and Diagnosis >> External Pages >> Different car >> Section 560 (Data Link Communication System) >> Schematic and Routing Diagrams >> Data Link Connector (DLC) Schematics

Data Link Connector (DLC) Schematics

WARNING: This page is about a different car, the 2004 Hummer H2. However, it is still accessible from the selected car via links, so may be relevant.
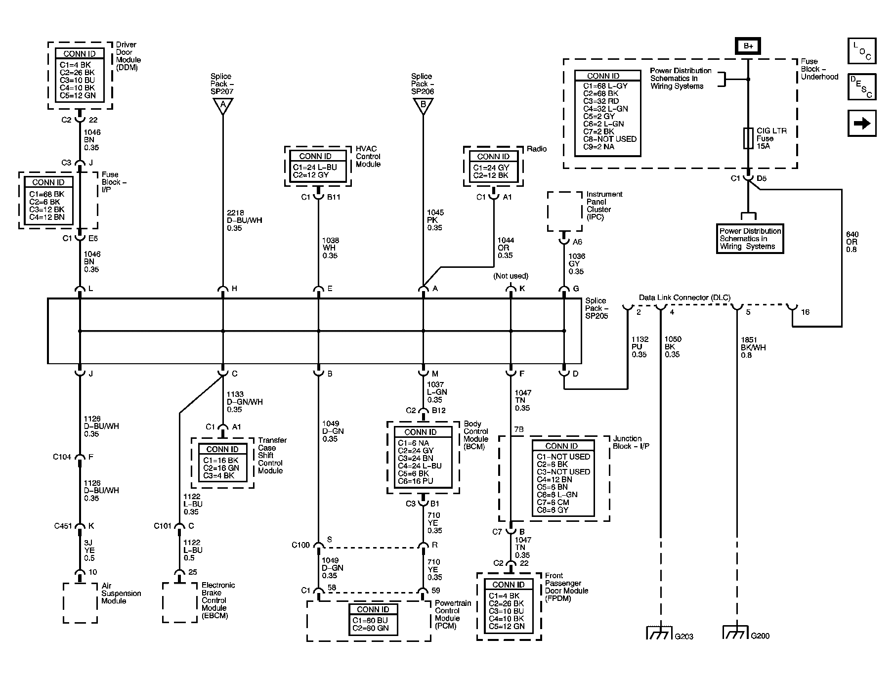
Fig 1: Power, Ground, DLC & SP205
GM1196545Courtesy of GENERAL MOTORS CORP.
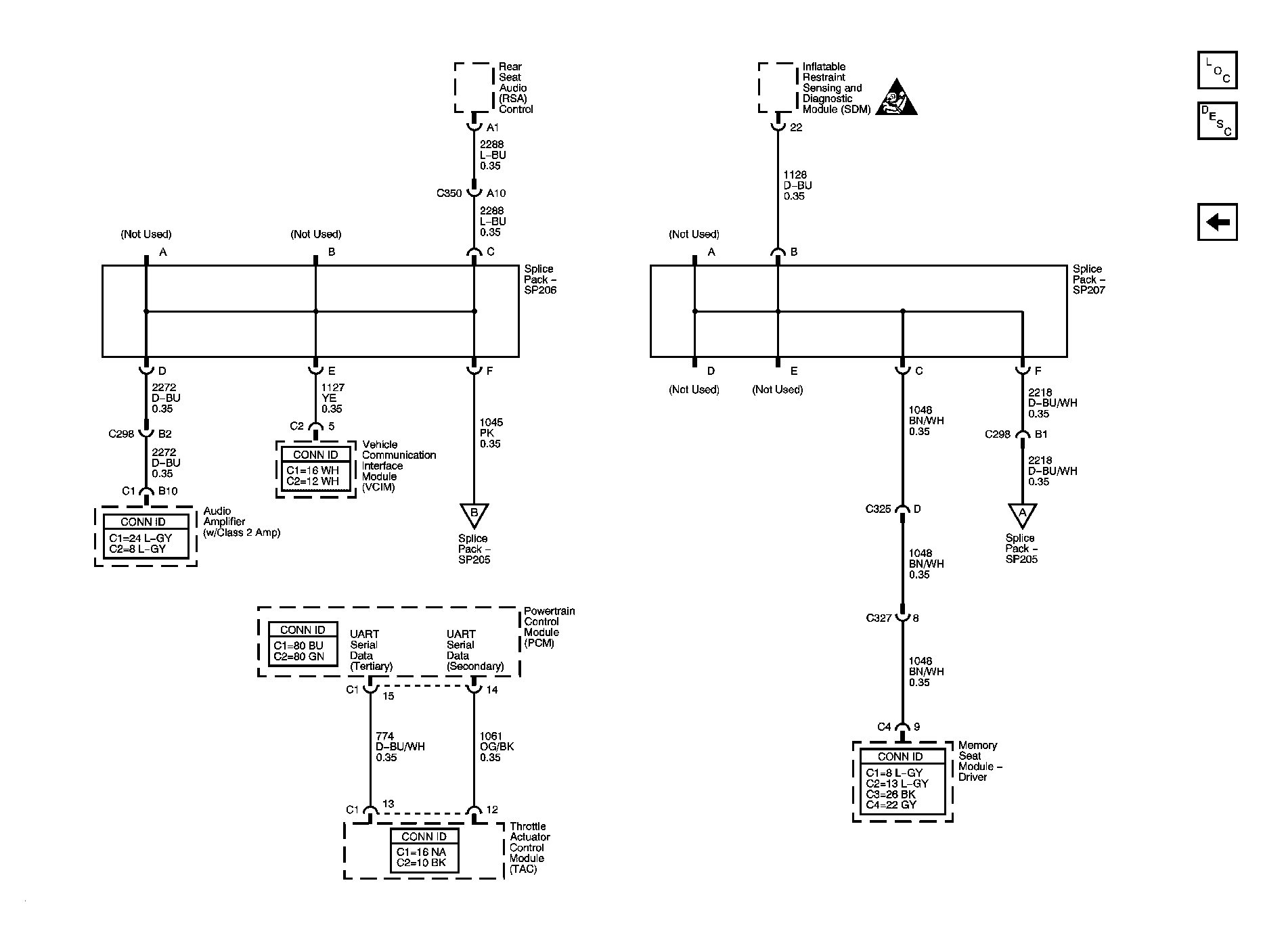
Fig 2: Splice Packs SP206, SP207 & Dedicated TAC Serial Data Circuits
GM1196612Courtesy of GENERAL MOTORS CORP.