LEMON Manuals: Even more car manuals for everyone
Home >> Honda >> 2021 >> Pilot Touring, AWD >> Repair and Diagnosis >> Engine Performance >> System >> Engine Control System - Advanced Diagnostics (2 Of 3) >> Engine Control System - Advanced Diagnostics (2 Of 3) >> DTC : P0617 >> General Description

DTC : P0617: General Description

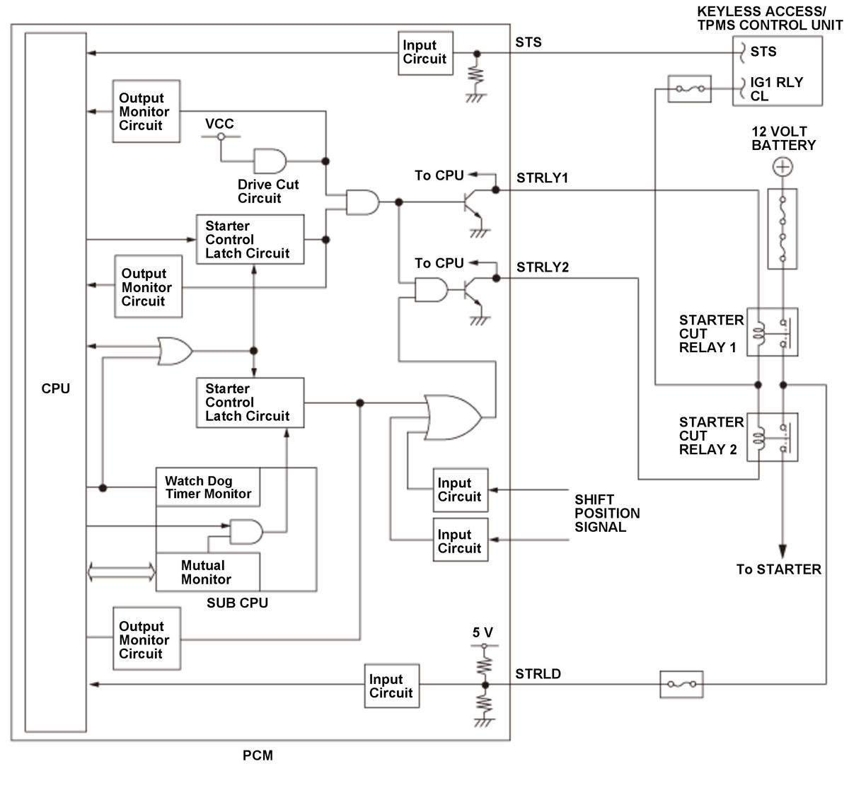
GHH306722Courtesy of HONDA, U.S.A., INC.

The starter control system prevents the starter from accidentally activating when the shift position is not in the P or N position, or when the engine is running. If the vehicle is turned mistakenly while shift position is not in P or N or while the engine is running, the powertrain control module (PCM) will stop power to the starter cut relays. However, cranking to return from auto idle stop does not correspond to this. In this system, two starter cut relays are connected in series (starter cut relay 1, starter cut relay 2) to prevent the starter from running continuously due to a starter cut relay malfunction. Also a diagnosis line (STRLD) is connected to monitor the voltage between the starter cut relay 1 and starter cut relay 2. Based on the diagnosis line signals, the PCM detects an OPEN malfunction of diagnosis line, an ON malfunction of starter cut relay 1, and an ON malfunction of starter cut relay 2. If the voltage of the diagnosis line (STRLD) is a specified voltage for a set time when the starter switch (STS) is OFF, the PCM detects an ON malfunction of starter cut relay 1 and stores a DTC.