LEMON Manuals: Even more car manuals for everyone
Home >> Honda >> 2021 >> Insight EX >> Repair and Diagnosis >> Engine Performance >> System >> Engine Control System - Advanced Diagnostics (1 Of 2) >> Advanced Diagnostics >> DTC P0441 >> General Description

DTC P0441: General Description

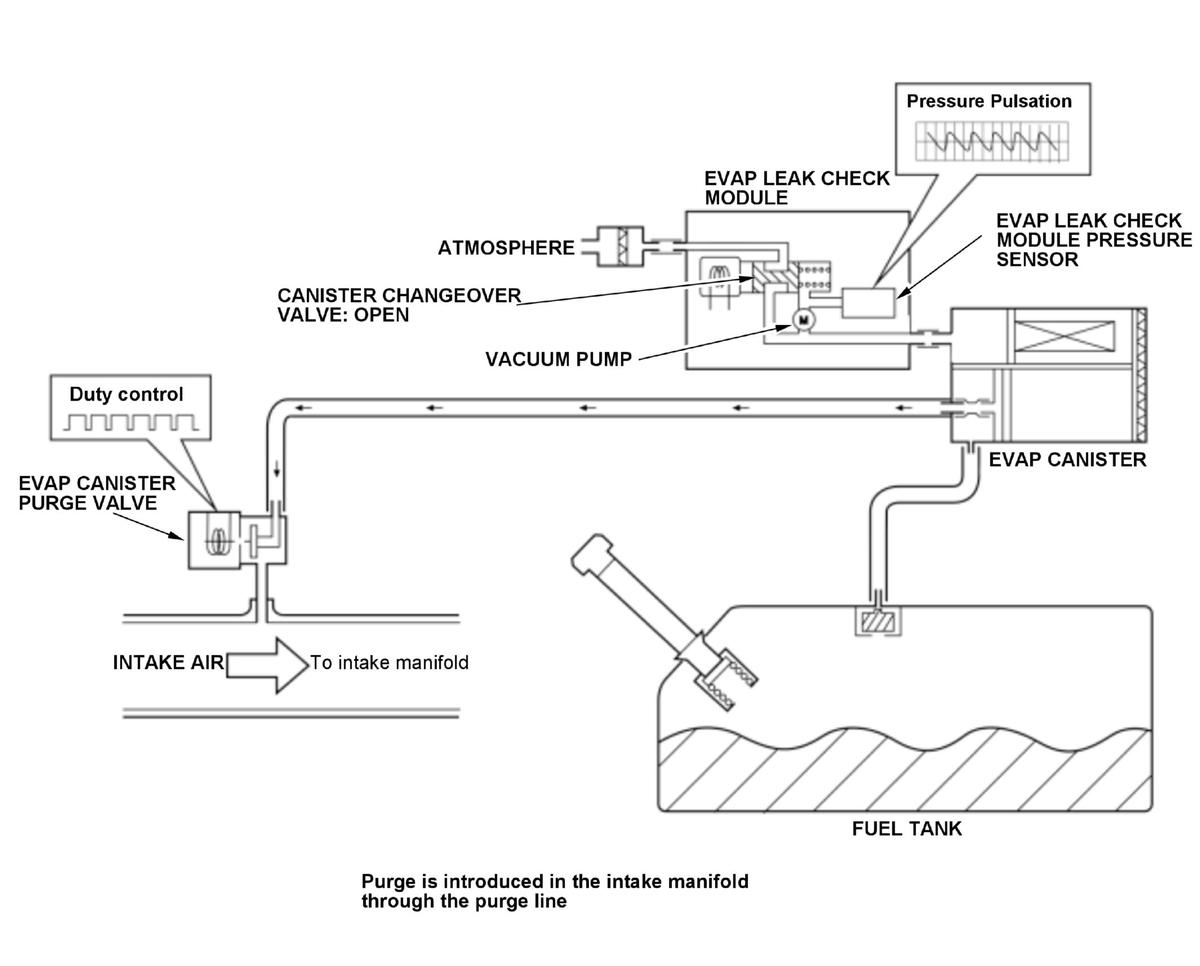
GHH384509Courtesy of HONDA, U.S.A., INC.

The fuel vapor in the fuel tank is temporarily stored in the evaporative emission (EVAP) canister and drawn into the engine through the EVAP canister purge valve. The powertrain control module (PCM) controls the amount of vapor introduced into the engine by varying the duty cycle of the EVAP canister purge valve according to the condition of the engine.

<STEP 1> 

The EVAP canister purge valve opens normally (EVAP canister purge valve OPEN OK) and detects that the purge flow is normal when the pulse of the EVAP canister purge valve duty cycle is transmitted to the fuel tank pressure (FTP) sensor during purge flow (pulse method).

OK determination: Pulse exists (P0441 OK)

NG determination: No pulse (P0441 NG)

<STEP 2> 

If there is no pulse, it is determined as either no purge flow or the EVAP canister purge valve is stuck OPEN:

When the EVAP leak check module pressure sensor fluctuates from negative pressure to atmospheric pressure after the engine stopped: P04DF EVAP canister purge valve stuck OPEN

When there is no fluctuation of the EVAP leak check module pressure sensor: P04F1 purge flow NG