LEMON Manuals: Even more car manuals for everyone
Home >> Honda >> 2021 >> CR-V EX, AWD >> Repair and Diagnosis >> External Pages >> Different variant/trim >> Section 50 (Security System / Keyless Entry System - Testing & Troubleshooting (Hybrid)) >> Circuit Diagram >> HomeLink Remote Control System Circuit Diagram

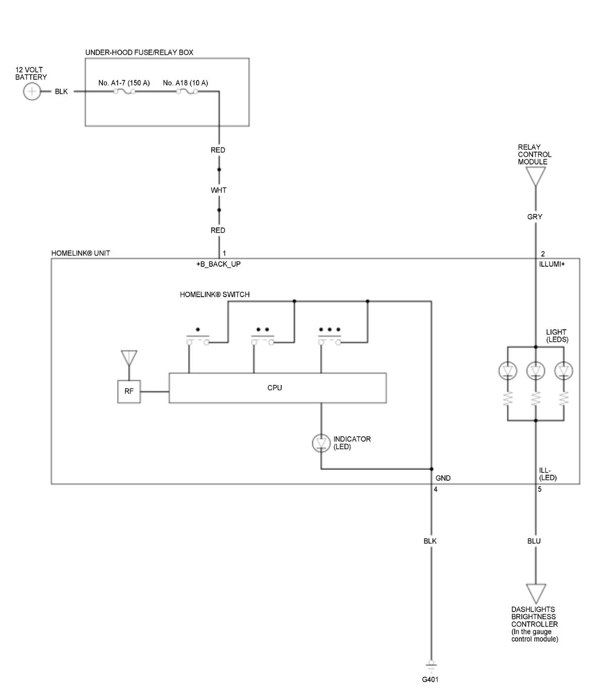
HomeLink Remote Control System Circuit Diagram

WARNING: This page is about a different variant/trim than selected.
GHH381047Courtesy of HONDA, U.S.A., INC.