LEMON Manuals: Even more car manuals for everyone
Home >> Honda >> 2019 >> Pilot EX, AWD >> Repair and Diagnosis >> Engine Performance >> Engine Control Systems >> Engine Control System / Engine Mechanical - Service, Testing & Troubleshooting >> System Description >> EGR - Overview >> Notes

EGR - Overview: Notes

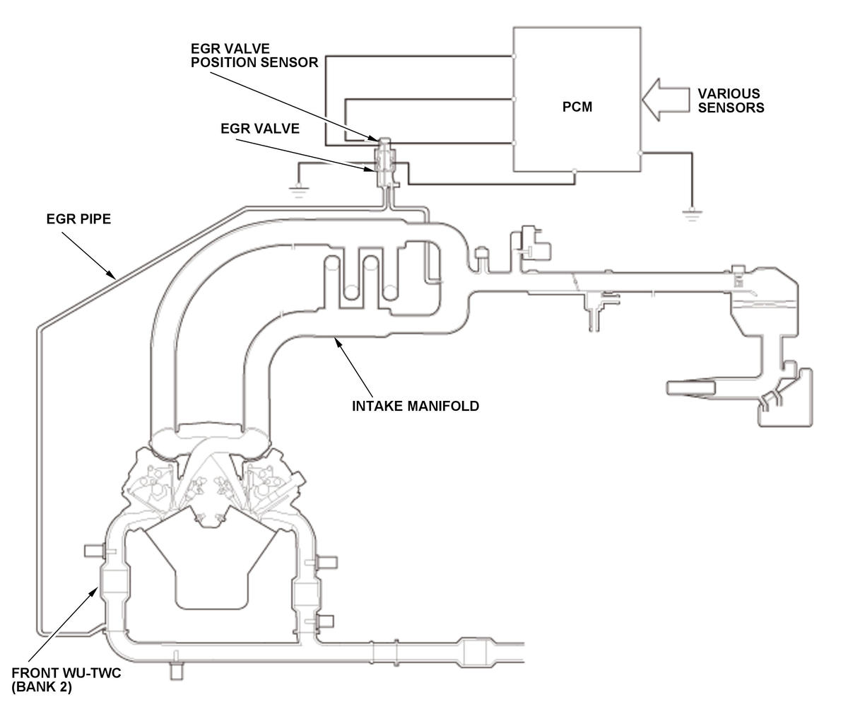
The exhaust gas recirculation (EGR) system lowers combustion temperature and reduces oxides of nitrogen (NOx) emissions. The recirculating exhaust gas routes through the EGR pipe, the intake manifold, and into the combustion chambers. Routing the exhaust gas through the EGR pipe helps to prevent carbon deposits from forming in the intake manifold and the throttle body. The powertrain control module (PCM) memory includes the ideal EGR valve position for varying operating conditions. The EGR valve position sensor detects the amount of EGR valve lift and sends it to the PCM. The PCM then compares it with the ideal lift in its memory (based on signals sent from other sensors). If there is any difference between the two, the PCM cuts power to the EGR valve.

GHH308312Courtesy of HONDA, U.S.A., INC.