LEMON Manuals: Even more car manuals for everyone
Home >> Honda >> 2019 >> Passport Elite >> Repair and Diagnosis >> Accessories & Equipment >> Anti-Theft Systems >> Security System / Keyless Entry System - Service, Testing And Troubleshooting >> Circuit Diagram >> Keyless/Power Door Locks/Security System Circuit Diagram

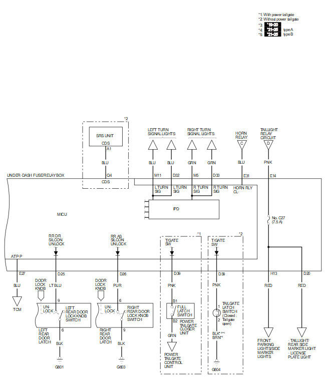
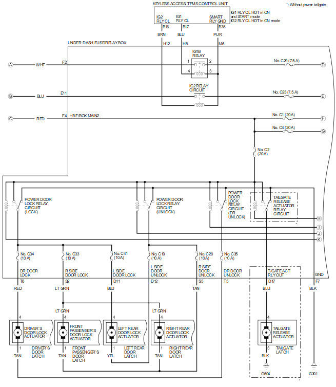
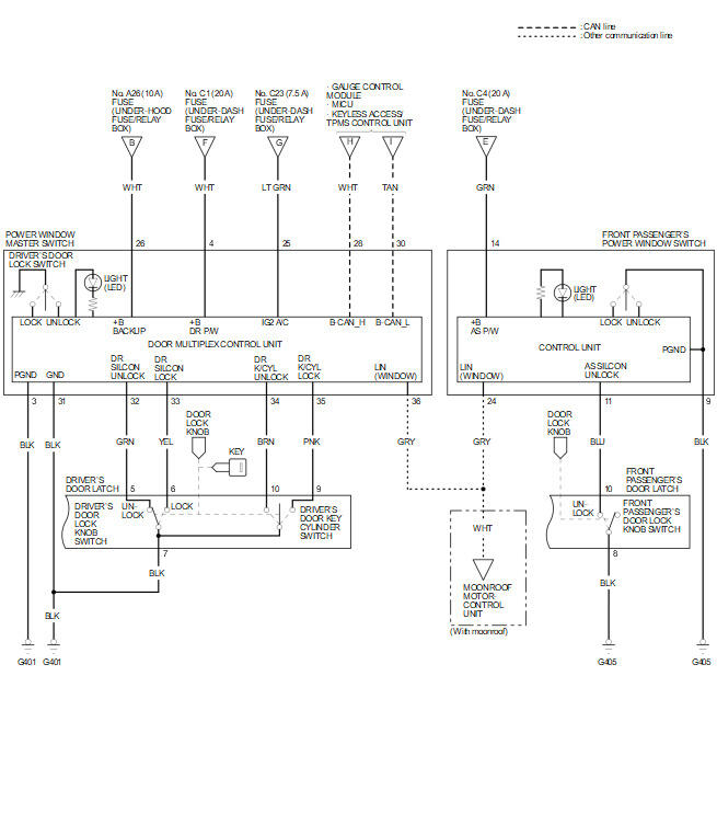
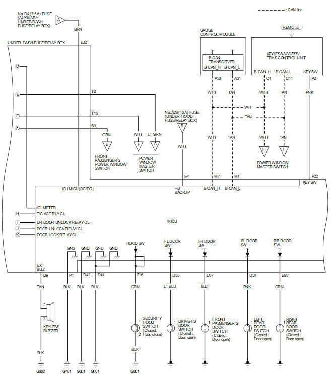
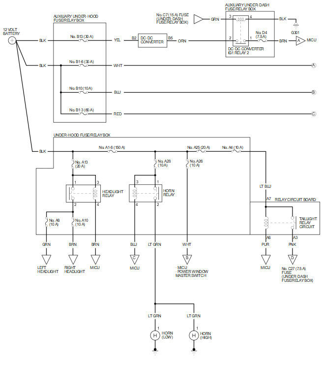
Keyless/Power Door Locks/Security System Circuit Diagram

GHH558717Courtesy of HONDA, U.S.A., INC.
GHH558718Courtesy of HONDA, U.S.A., INC.
GHH558719Courtesy of HONDA, U.S.A., INC.
GHH558720Courtesy of HONDA, U.S.A., INC.
GHH558721Courtesy of HONDA, U.S.A., INC.