LEMON Manuals: Even more car manuals for everyone
Home >> Honda >> 2019 >> Passport Elite >> Repair and Diagnosis >> Accessories & Equipment >> Anti-Theft Systems >> Security System / Keyless Entry System - Service, Testing And Troubleshooting >> Circuit Diagram >> Keyless Access System Circuit Diagram

Keyless Access System Circuit Diagram

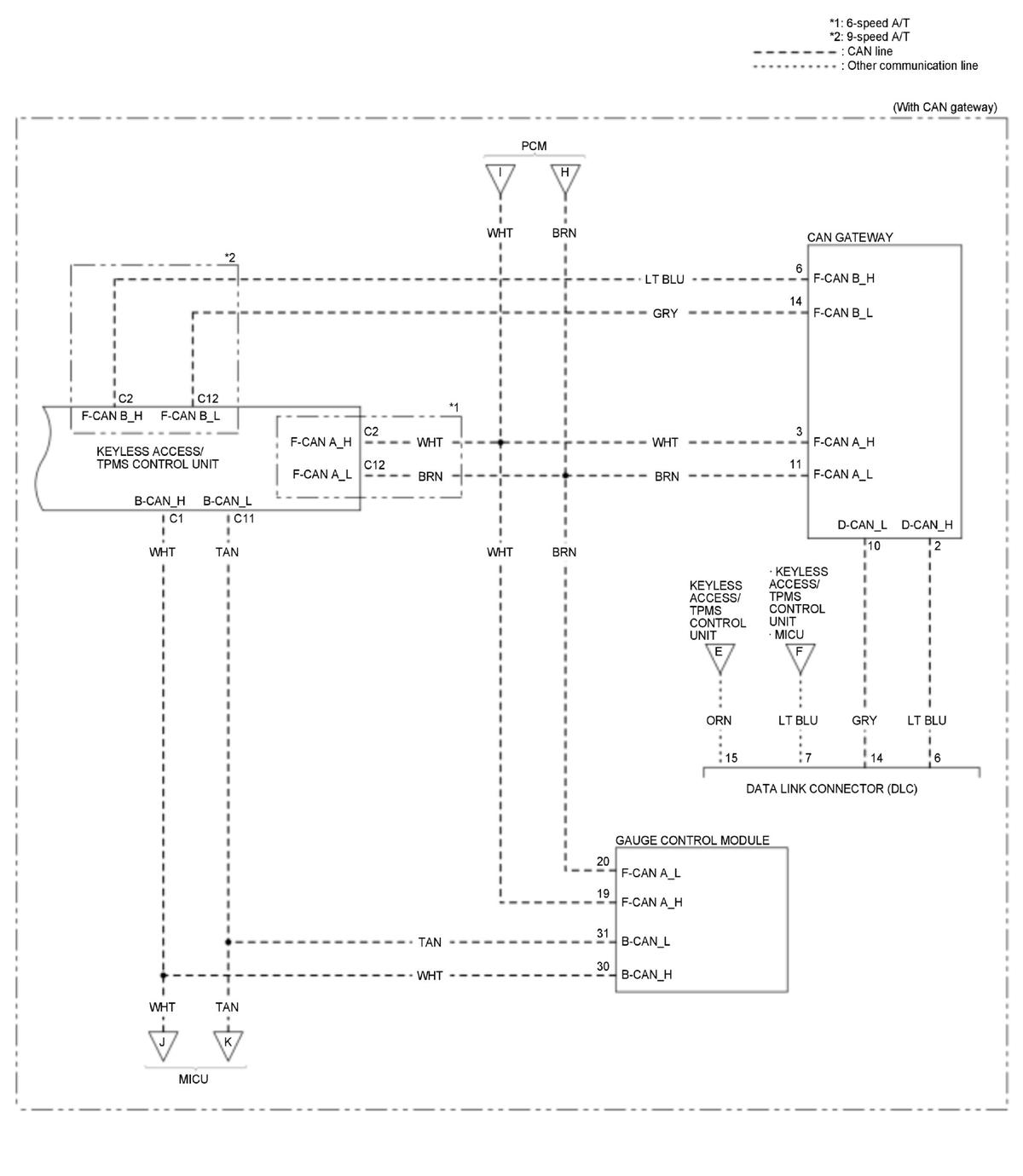
GHH558712Courtesy of HONDA, U.S.A., INC.
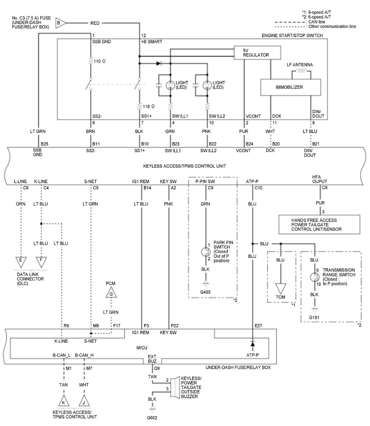
GHH558713Courtesy of HONDA, U.S.A., INC.
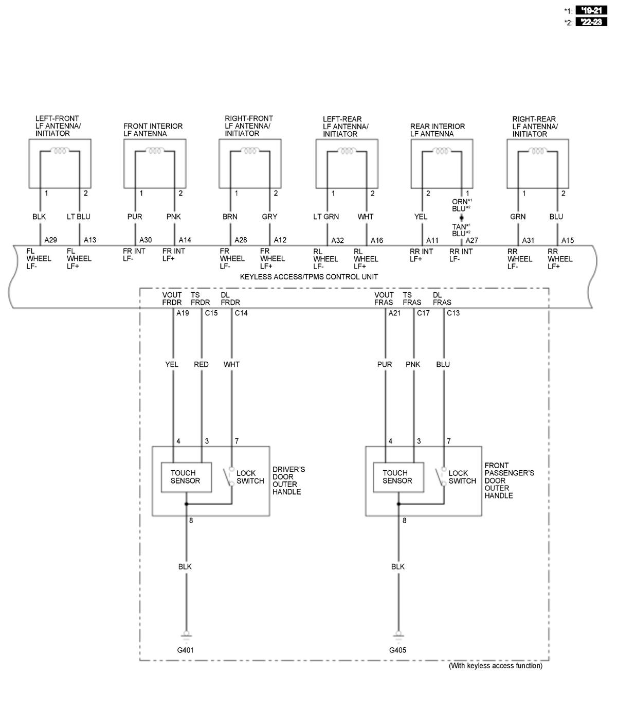
GHH558714Courtesy of HONDA, U.S.A., INC.
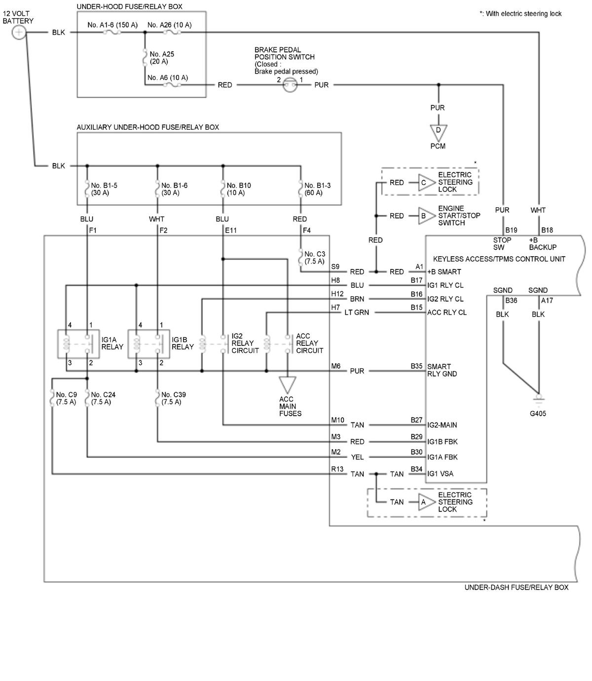
GHH558715Courtesy of HONDA, U.S.A., INC.
GHH558716Courtesy of HONDA, U.S.A., INC.