LEMON Manuals: Even more car manuals for everyone
Home >> Honda >> 2019 >> Passport Elite >> Repair and Diagnosis >> Accessories & Equipment >> Anti-Theft Systems >> Security System / Keyless Entry System - Service, Testing And Troubleshooting >> Circuit Diagram >> HomeLink Remote Control System Circuit Diagram

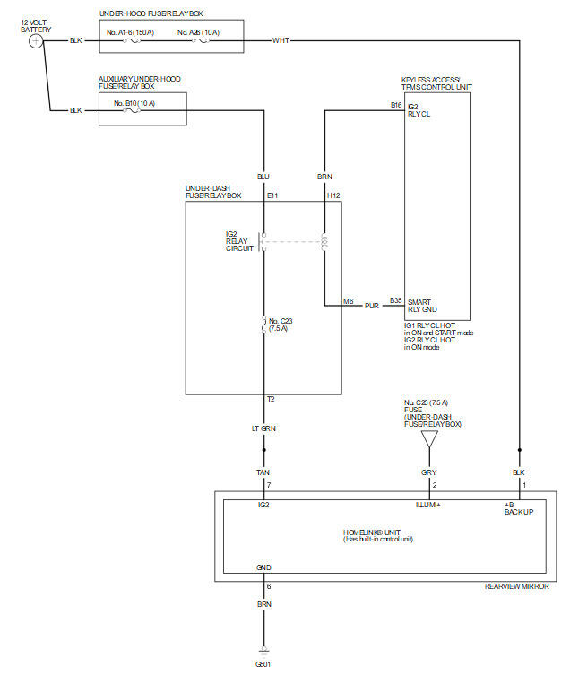
HomeLink Remote Control System Circuit Diagram

GHH373274Courtesy of HONDA, U.S.A., INC.