LEMON Manuals: Even more car manuals for everyone
Home >> Honda >> 2019 >> Clarity Plug-In Hybrid >> Repair and Diagnosis >> Engine Performance >> System >> Engine Control System - Advanced Diagnostics (P0010 - P0811) (Plug-In) >> Advanced Diagnostics >> DTC P0811

DTC P0811

DTC P0811:  Excessive Clutch A Slippage

General Description 

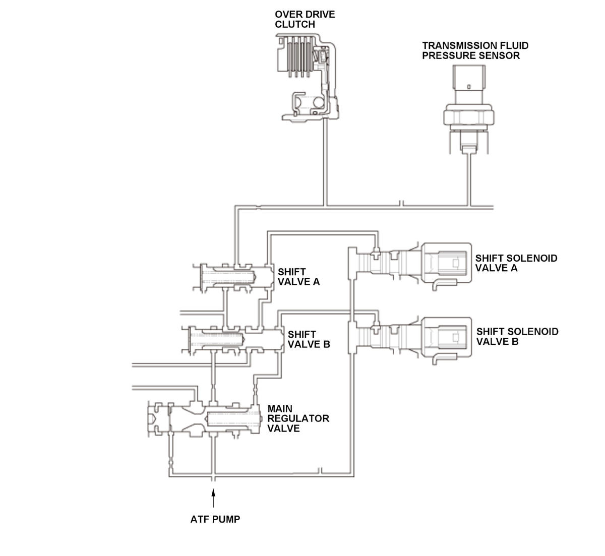
GHH416782Courtesy of HONDA, U.S.A., INC.

When running at 44 mph (70 km/h) or more, the line pressure is supplied to the clutch piston in response to a request for engagement of the over drive clutch from the powertrain control module (PCM) to cause the clutch to be engaged and the input shaft and the over drive gear rotate together to transmit the driving force. The hydraulic pressure to the clutch is supplied from the ATF pump -> regulator valve -> shift valve -> clutch piston. (Failure in the clutch piston in the supply paths above is detected by failure detection of each shift solenoid valve.) The PCM calculates the difference between the input revolution speed (Engine speed) to the over drive clutch and the output revolution speed (Traction motor speed) and detects a malfunction of the hydraulic pressure supply system or the clutch and stores a DTC when the difference in the revolution speed is more than the prescribed value when engagement of the over drive clutch is requested.

Monitor Execution, Sequence, Duration, DTC Type 

Execution Continuous
Sequence None
Duration 500 milliseconds or more
DTC Type Two drive cycles, MIL off, shift position indicator blinks

Enable Conditions 

Condition Minimum Maximum
Vehicle speed
[VEHICLE SPEED]
44 mph (70 km/h) -
12 volt battery voltage [BATTERY VOLTAGE] 11 V -
Over drive clutch ON
State of the vehicle Engine driving mode

[ ]: HDS Parameter

Malfunction Threshold 

When the difference between the input revolution speed (Engine speed) to the over drive clutch and the output revolution speed (Traction motor speed) is 100 RPM or more continuously for 500 milliseconds or more when engagement of the over drive clutch is requested.

Possible Cause 

NOTE: The causes shown may not be a complete list of all potential problems, and it is possible that there may be other causes.
  • Shift valve A stuck
  • Shift valve B stuck
  • Shift solenoid valve A failure
  • Shift solenoid valve B failure
  • Over drive clutch failure

Confirmation Procedure 

Operating Condition 

  1. Enter the maintenance mode, then start the engine. Hold the engine speed [ENGINE SPEED] at 3, 000 RPM without load (in P or N) until the radiator fan comes on, then let it idle.
  2. Drive the vehicle at a steady speed of 44 mph (70 km/h) or more for at least 10 seconds with engine drive mode.

With the HDS 

None.

Diagnosis Details 

Conditions for setting the DTC 

When a malfunction is detected during the first drive cycle, a Pending DTC is stored in the PCM memory. If the malfunction returns in the next (second) drive cycle, the shift position indicator blinks and a Confirmed DTC and the freeze data are stored. The MIL does not come on.

Conditions for clearing the DTC 

The shift position indicator comes off by turning the vehicle to the OFF (LOCK) mode. The Pending DTC, the Confirmed DTC, and the freeze data can be cleared with the scan tool Clear command or by disconnecting the 12 volt battery.