LEMON Manuals: Even more car manuals for everyone
Home >> Honda >> 2019 >> Clarity Plug-In Hybrid >> Repair and Diagnosis >> Engine Performance >> Engine Control Systems >> Engine Control System / Engine Mechanical - Testing & Troubleshooting - (Plug- In) >> System Description >> VTEC/VTC System Description

VTEC/VTC System Description

Overview 

The VTEC system that this vehicle is equipped with enhances an engine power and reduces the amount of fuel consumption and exhaust gas, using the VTC system.

Overview - VTEC 

This system improves fuel efficiency and reduces exhaust emissions at all engine speeds, vehicle speeds, and engine loads. The powertrain control module (PCM) switches the short and long duration cam depending on the engine speed and load in order to optimize the fuel efficiency and the engine output.The rocker arm oil control solenoid switches the intake valve side of the VTEC system on and off; the solenoid is controlled by the PCM.

GHH418187Courtesy of HONDA, U.S.A., INC.

Overview - VTC 

The VTC system changes intake valve timing continuously depending on the engine operating conditions.The electrical VTC is adjusted through electric control and it enables the phase of the intake camshaft to have non-step advances or retards the valve timing.

GHH418188Courtesy of HONDA, U.S.A., INC.

VTEC Construction 

VTEC is composed of the VTEC camshaft, the VTEC rocker arm, and the rocker arm oil control valve.

VTC Construction 

The VTC consists of the electric VTC motor which is integrated with the control unit, and the VTC actuator. The electric VTC motor drives the VTC actuator, and advances or retards the valve timing by changing the phase.

VTEC Control 

Based on the vehicle speed signal, engine speed signal, engine load signal, throttle position signal, and engine coolant signal sent from various sensors, the PCM determines what the lift amount should be and controls the ON/OFF of the rocker arm oil control solenoid.

For locations of each component on vehicle, refer to Component Location Index

GHH418189Courtesy of HONDA, U.S.A., INC.

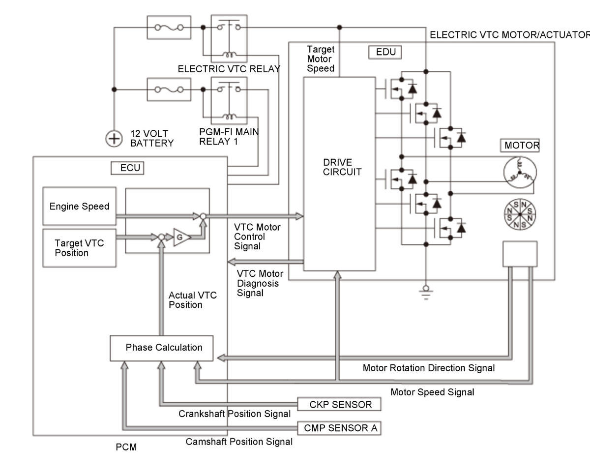
VTC Control 

The electric VTC system diagram is as follows.The motor is controlled through the command from the powertrain control module (PCM). The PCM performs advances or retards the valve timing based on the data from various sensors, and performs feedback-control based on the data from CMP sensor A.

For locations of each component on vehicle, refer to Component Location Index

GHH418190Courtesy of HONDA, U.S.A., INC.

VTEC Operation 

The oil pressure from the oil pump is sent to the rocker arm oil control solenoid and the valve. The rocker arm oil control solenoid switches ON and OFF depending on a normal/delayed close signal from the PCM. As a result, the oil pressure applied to the valve is ON/OFF-controlled.

Rocker Arm Oil Control Solenoid Valve OFF (Otto Cycle) 

The rocker arm oil control solenoid is turned off by the PCM. Oil pressure does not press the spool valve and the spool valve is lifted by the spring.During the short duration cam operation, high oil pressure acts on the primary rocker arm, while low oil pressure acts on the secondary rocker arm. The primary, secondary, and mid rocker arms are separated from each other. The primary and secondary rocker arms are driven by the short duration cams.

GHH418191Courtesy of HONDA, U.S.A., INC.

Rocker Arm Oil Control Solenoid Valve ON (Atkinson Cycle) 

The rocker arm oil control solenoid is turned on by the PCM. Oil pressure presses the spool valve down, and the hydraulic circuit is switched.During the operation of the long duration cam, high oil pressure acts on the secondary rocker arm, while low oil pressure acts on the primary rocker arm. Therefore, the VTEC switching piston moves, so that the primary, mid, and secondary rocker arms are connected and move together.Since the mid rocker arm is driven by the long duration cam, the primary and secondary rocker arms are also driven by the long duration cam.

GHH418192Courtesy of HONDA, U.S.A., INC.

VTC Operation 

This VTC system liaises with the VTEC system. The VTEC + VTC operation uses the long duration cam and the VTC phase control to achieve the fuel-efficient Atkinson cycle for the hybrid drive, which uses both the engine and motor. For cruising, the engine is used directly. At engine start and during acceleration when high torque and high power output are required, the operation is switched to that of the short duration cam.

GHH418193Courtesy of HONDA, U.S.A., INC.

The basic operation of VTEC and VTC is described below:

Mode Operation Additional remarks
Startup Maximum retarded
GHH418194Courtesy of HONDA, U.S.A., INC.
When starting the engine, retards the phase of the short duration cam, and retards the timing of the intake valve to close, reducing the engine's actual compression ratio, thereby reducing vibration. When engine speed increases through the cranking by the motor, the angle gradually advances.
Cold engine (during warm-up) Advance
GHH418195Courtesy of HONDA, U.S.A., INC.
When the engine is cold, advances the phase of the short duration cam, improves the combustion condition, and warms the engine.
Normal drive(Otto cycle) Advance/Retard
GHH418196Courtesy of HONDA, U.S.A., INC.
When power is required, the phase of the short duration cam is advanced/retarded. This enables both high power output and high fuel efficiency.
Mode Operation Additional remarks
Normal drive (Atkinson cycle) Advance/Retard
GHH418197Courtesy of HONDA, U.S.A., INC.
When in hybrid drive and overdrive operation, the phase of the long duration cam is advanced/retarded. This enables high fuel efficiency.
Engine stop (idling stop) Maximum retarded
GHH418198Courtesy of HONDA, U.S.A., INC.
When there is a VTC problem, the phase is fully retarded. Cranking for engine start is done by the generator motor. Therefore the cranking speed is high, so that engine start is possible even during a VTC problem.
Fail-safe mode Maximum retarded
GHH418199Courtesy of HONDA, U.S.A., INC.
When the engine is stopped, the phase is fully retarded to prepare for restart.
Vehicle in ON mode/OFF mode Advance/Retard
GHH418200Courtesy of HONDA, U.S.A., INC.
At vehicle in ON mode, the phase is fully retarded to prepare for start (at normal temperature). At vehicle in OFF mode, the phase is changed to advance for cold start. For this reason, an operation noise is heard when the vehicle is turned ON/OFF mode.