LEMON Manuals: Even more car manuals for everyone
Home >> Honda >> 2019 >> Clarity Plug-In Hybrid >> Repair and Diagnosis >> Body & Frame >> Door Locks >> Security System / Keyless Entry System - Testing & Troubleshooting - (Plug-In) >> Circuit Diagram >> Keyless/Power Door Locks/Security System

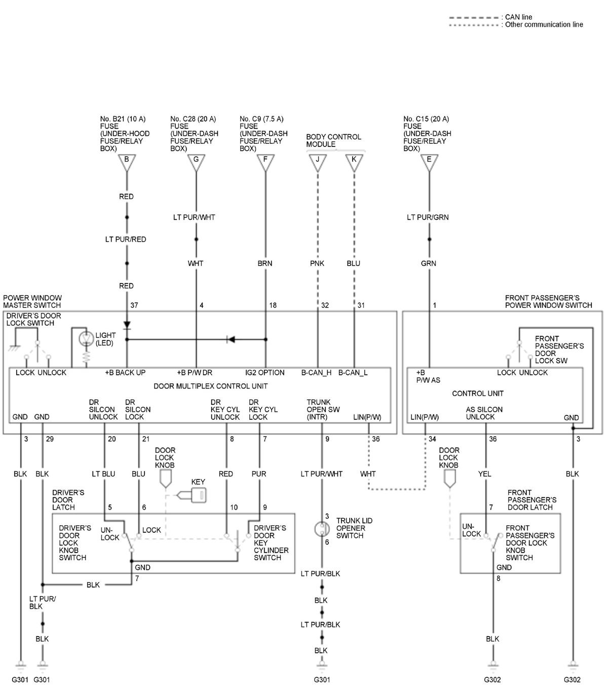
Keyless/Power Door Locks/Security System

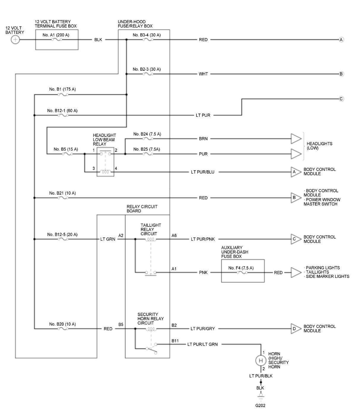
GHH420607Courtesy of HONDA, U.S.A., INC.
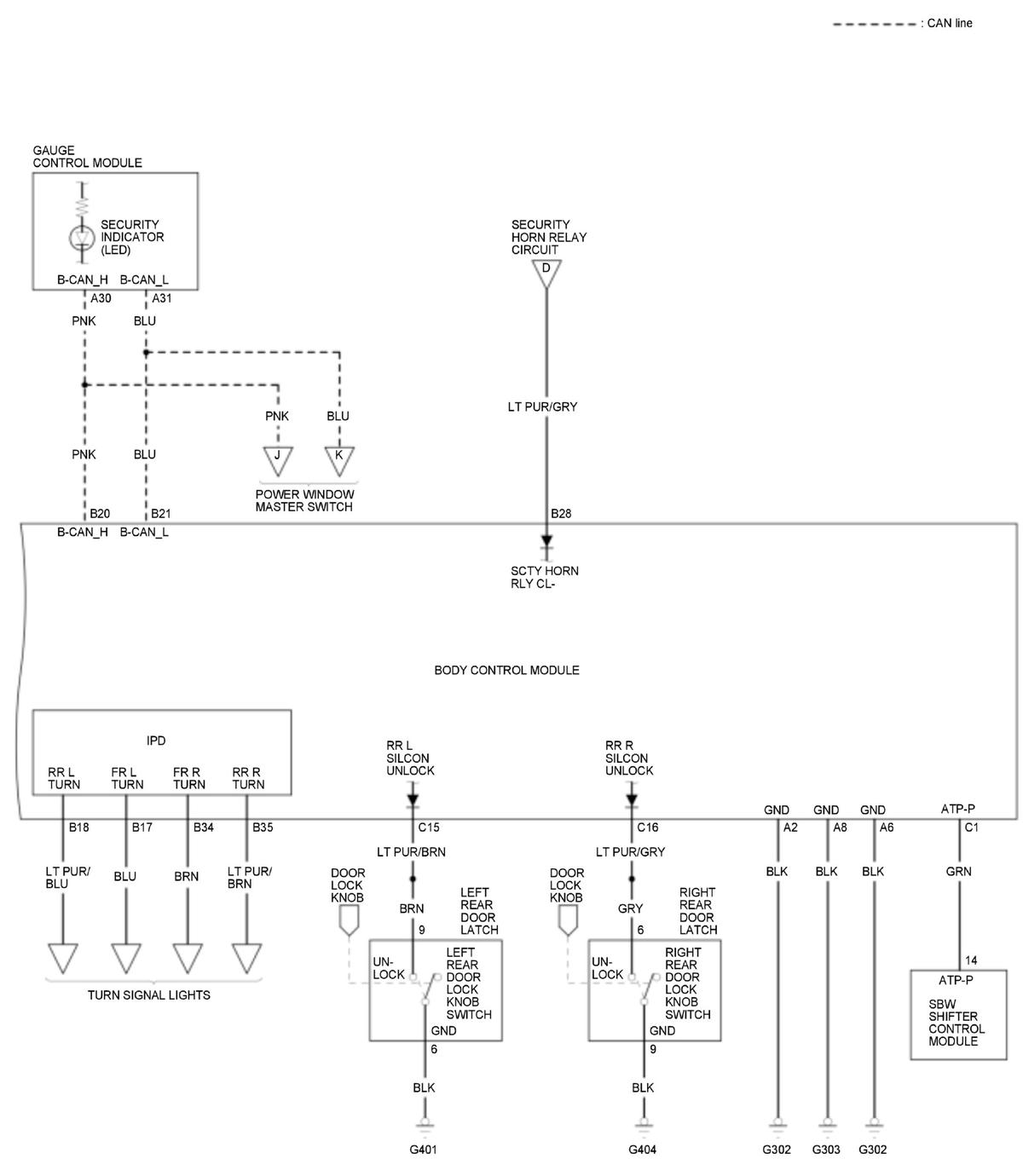
GHH420608Courtesy of HONDA, U.S.A., INC.
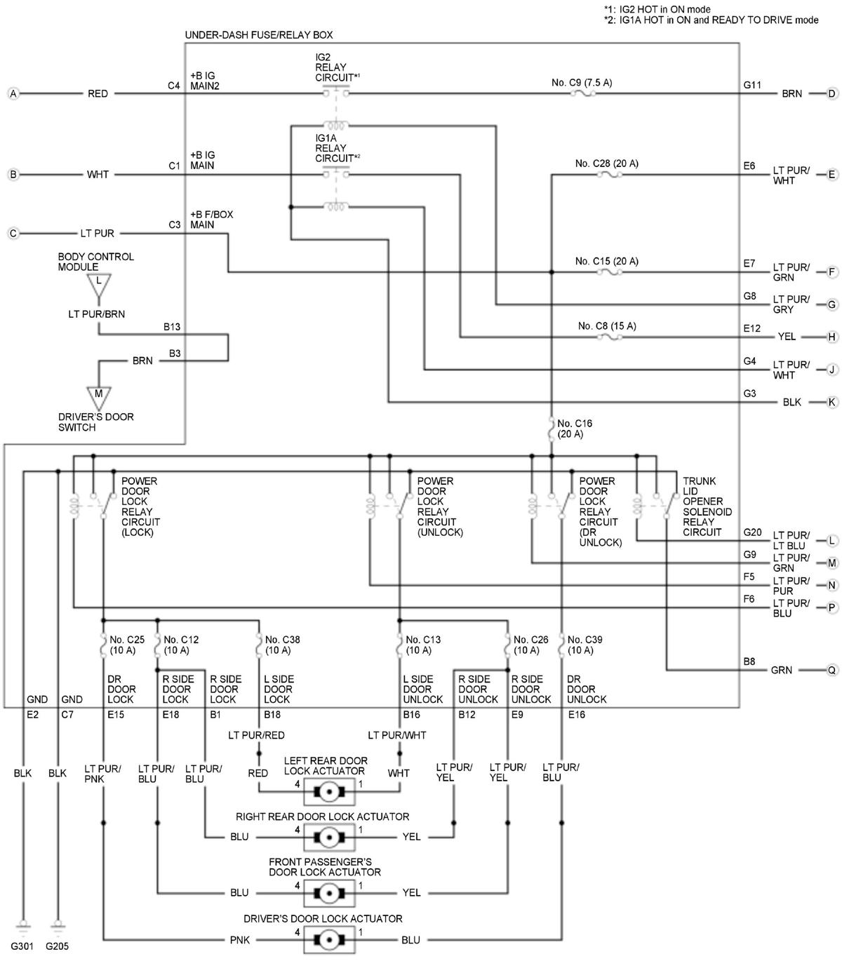
GHH420609Courtesy of HONDA, U.S.A., INC.
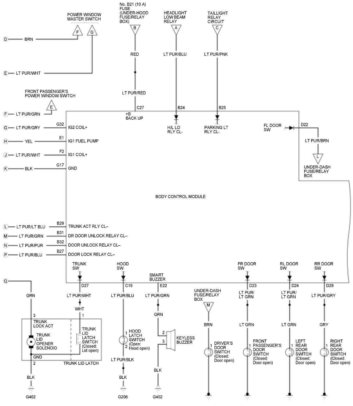
GHH420610Courtesy of HONDA, U.S.A., INC.
GHH420611Courtesy of HONDA, U.S.A., INC.