LEMON Manuals: Even more car manuals for everyone
Home >> Honda >> 2019 >> Clarity Plug-In Hybrid >> Repair and Diagnosis >> Accessories & Equipment >> Anti-Theft Systems >> Security System / Keyless Entry System - Testing & Troubleshooting - (Plug-In) >> Circuit Diagram >> Keyless Access System

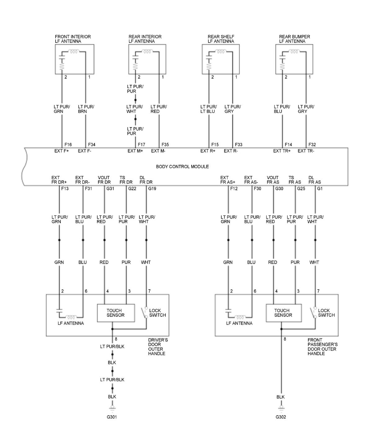
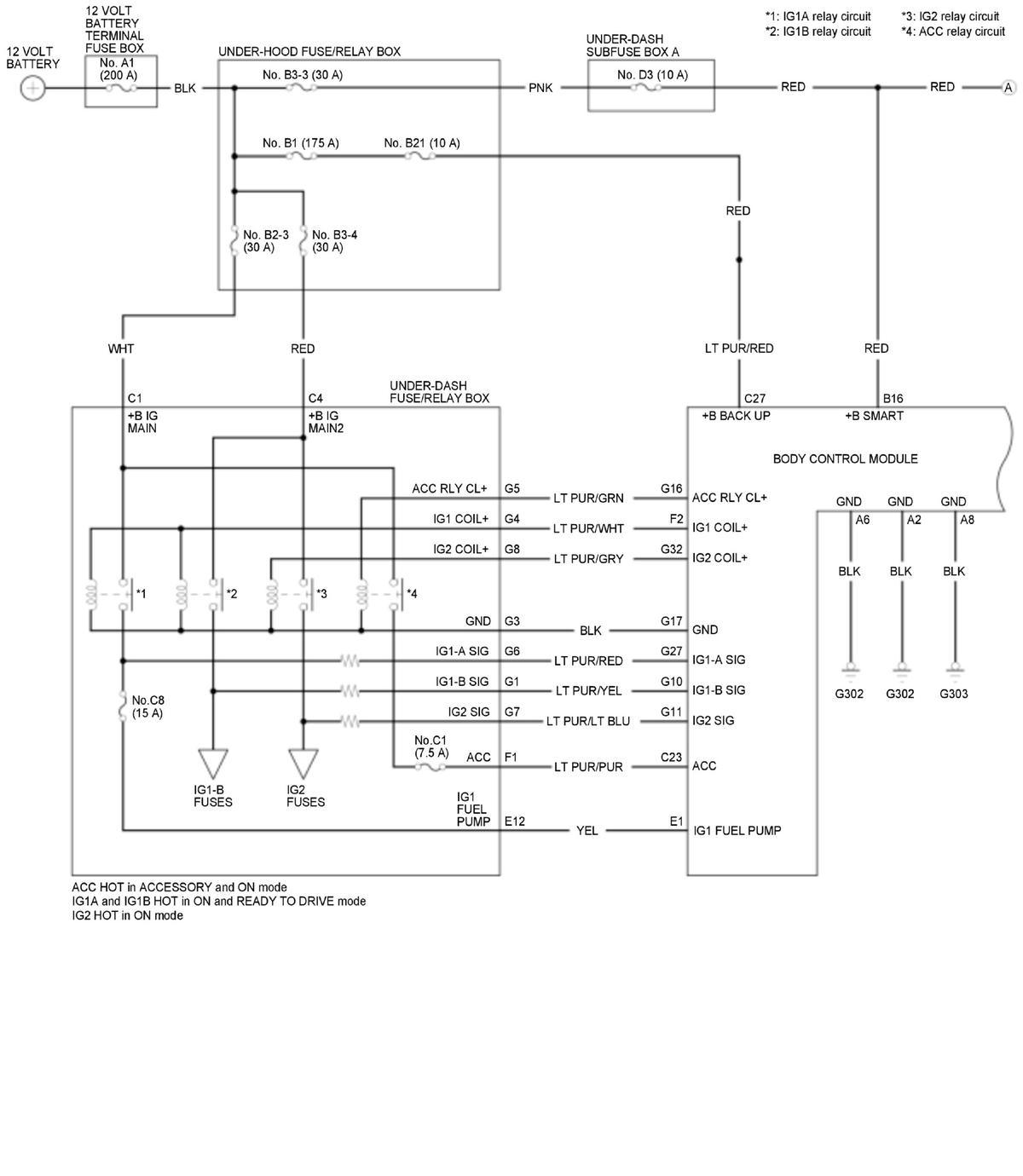
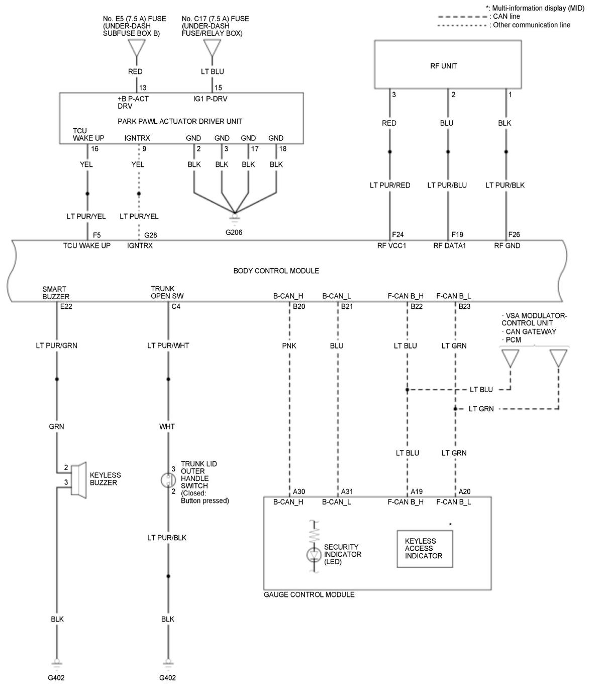
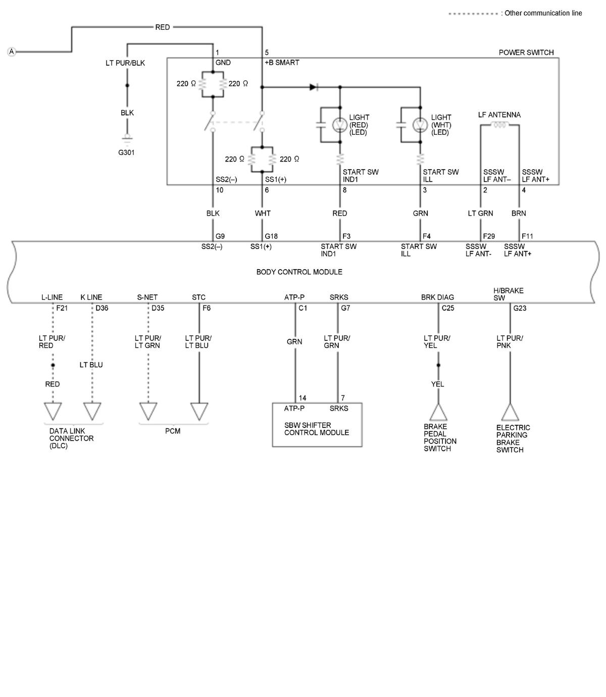
Keyless Access System

GHH420603Courtesy of HONDA, U.S.A., INC.
GHH420604Courtesy of HONDA, U.S.A., INC.
GHH420605Courtesy of HONDA, U.S.A., INC.
GHH420606Courtesy of HONDA, U.S.A., INC.