LEMON Manuals: Even more car manuals for everyone
Home >> Honda >> 2019 >> Clarity Plug-In Hybrid >> Repair and Diagnosis >> Accessories & Equipment >> Anti-Theft Systems >> Security System / Keyless Entry System - Testing & Troubleshooting - (Plug-In) >> Circuit Diagram >> HomeLink Remote Control System

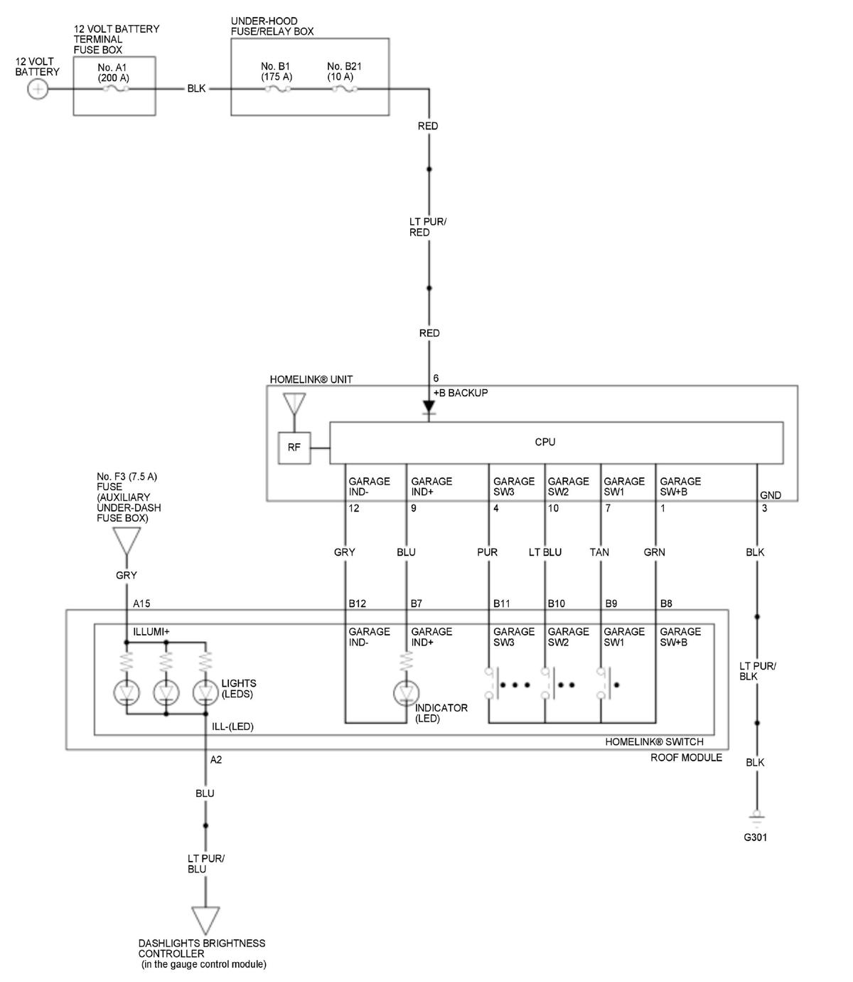
HomeLink Remote Control System

GHH420602Courtesy of HONDA, U.S.A., INC.