LEMON Manuals: Even more car manuals for everyone
Home >> Honda >> 2019 >> Clarity Plug-In Hybrid >> Repair and Diagnosis >> Accessories & Equipment >> Anti-Theft Systems >> Security System / Keyless Entry System - Service Information (Plug-In) >> Removal, Installation And Test >> Power Switch >> Test

Power Switch: Test

  1. Power Switch - Test

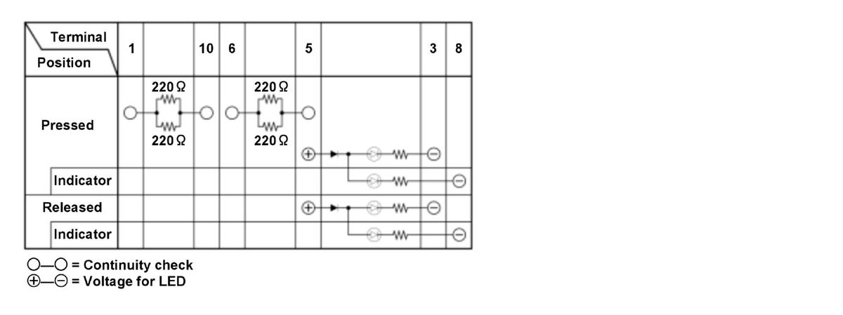
    1. Check the power switch (A) according to the table.

    NOTE:
    • When an LED is located between terminals, check if the LED illuminates by connecting power and ground to the LED.
    • Remember this important operating characteristic; diode bias causes a diode to fully conduct electricity in one direction (forward), while not at all in the opposite direction (reverse).
    GHH420646Courtesy of HONDA, U.S.A., INC.
    GHH420647Courtesy of HONDA, U.S.A., INC.

    2. If the result is not as specified, replace the power switch.