LEMON Manuals: Even more car manuals for everyone
Home >> Honda >> 2017 >> Pilot EX, AWD >> Repair and Diagnosis >> Steering >> Manual Steering >> Steering System - Service, Testing And Troubleshooting >> Circuit Diagram >> EPS Circuit Diagram (2016 2017 2018)

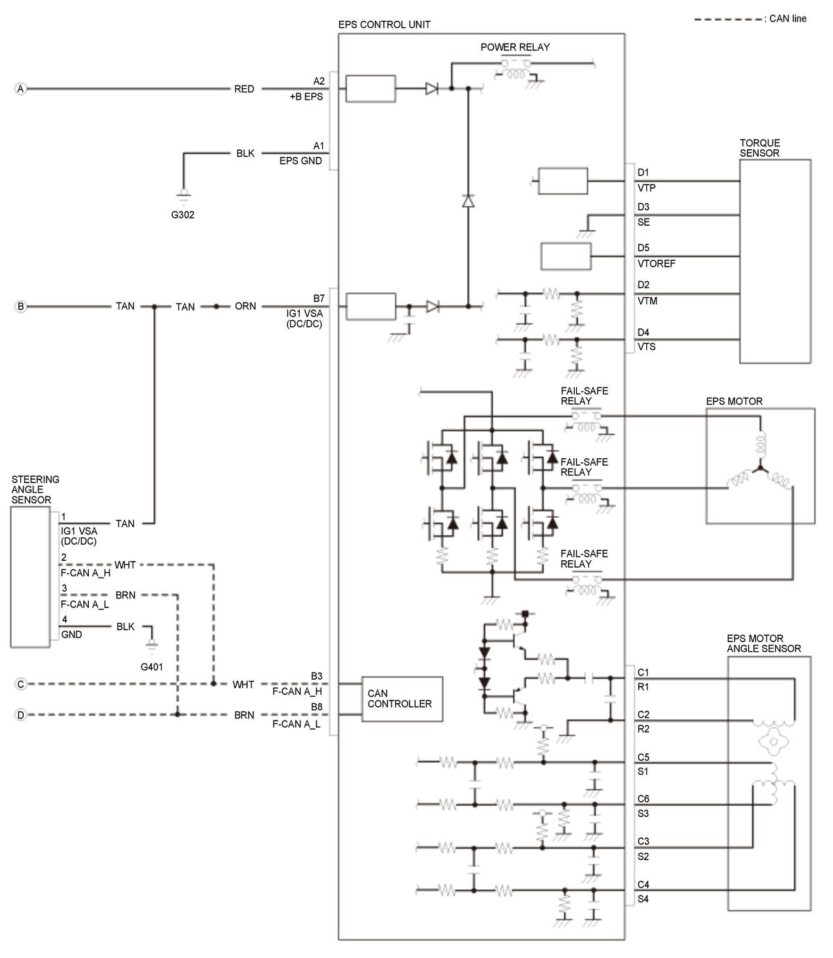
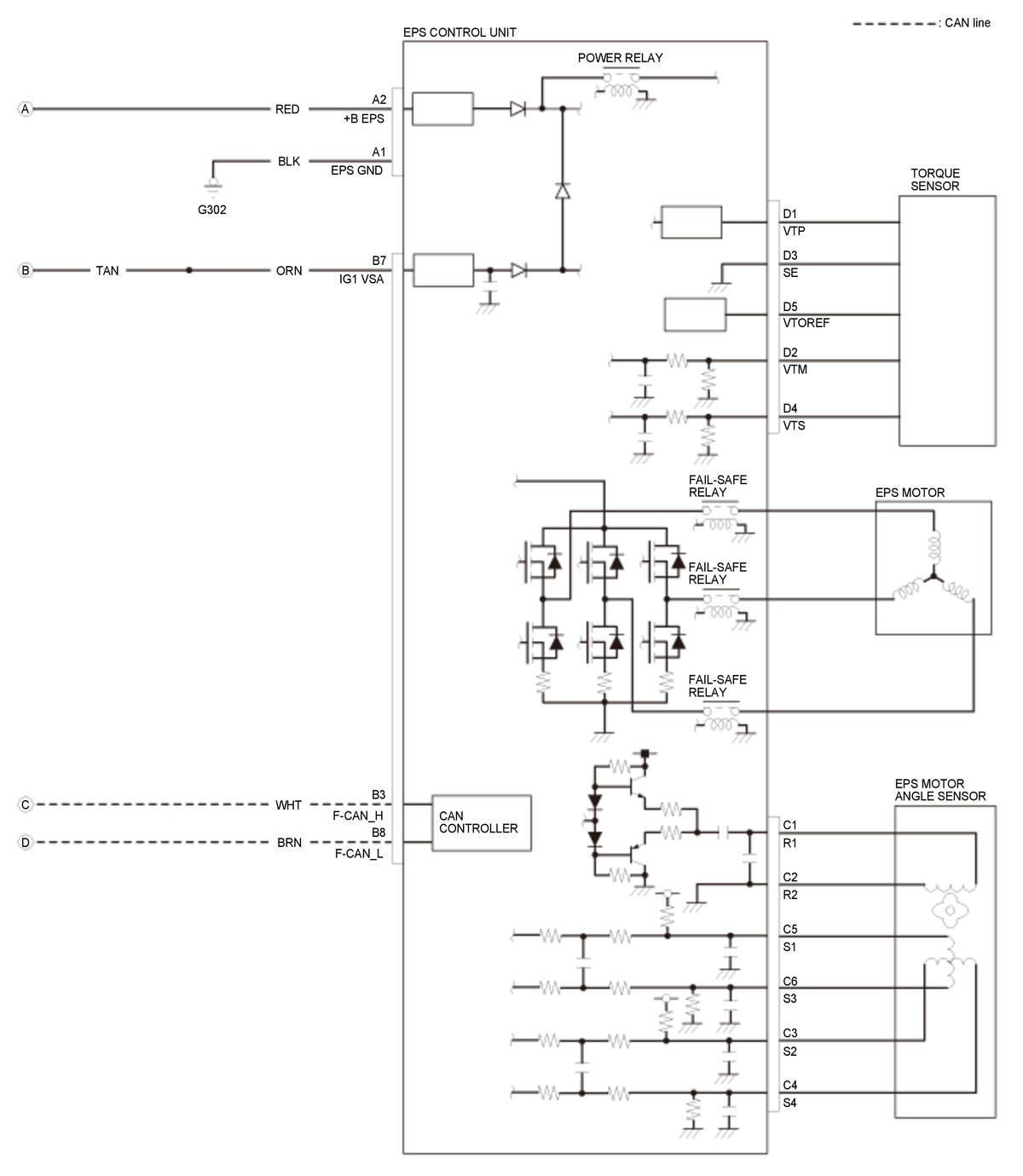
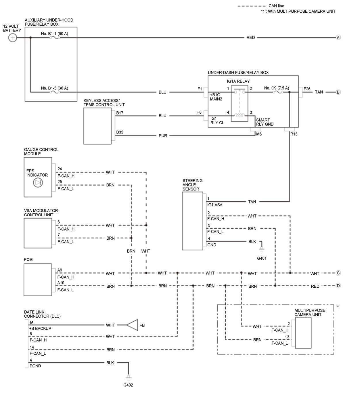
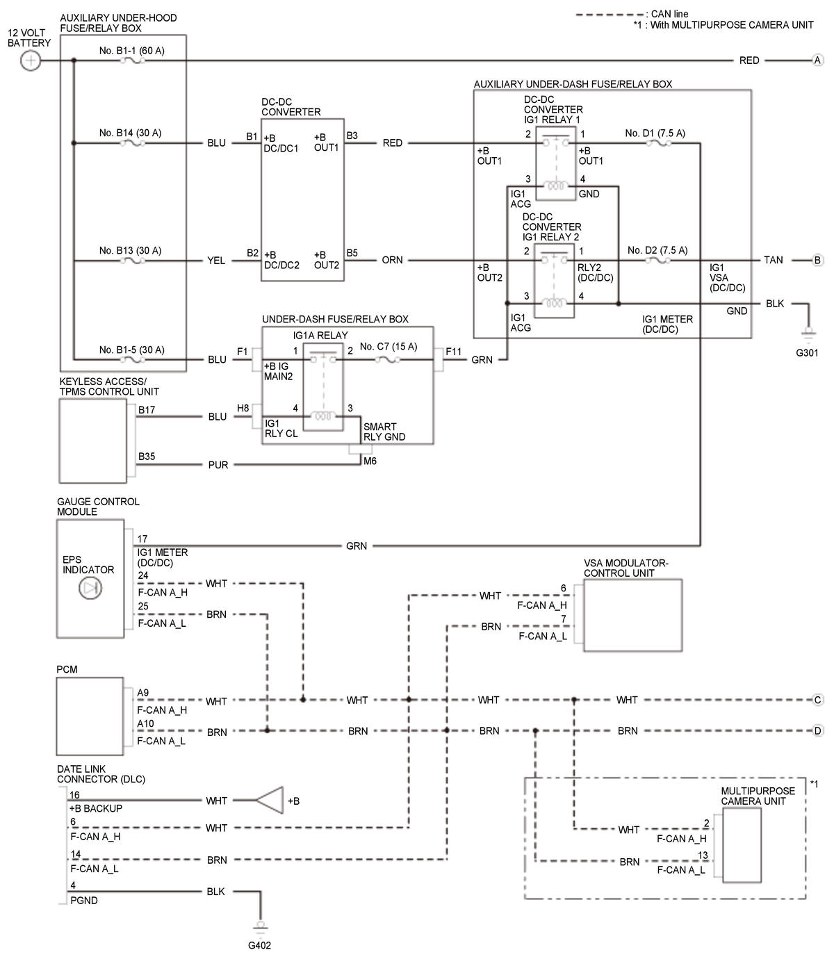
EPS Circuit Diagram (2016 2017 2018)

GHH312640Courtesy of HONDA, U.S.A., INC.
GHH312641Courtesy of HONDA, U.S.A., INC.


GHH312642Courtesy of HONDA, U.S.A., INC.
GHH312643Courtesy of HONDA, U.S.A., INC.