LEMON Manuals: Even more car manuals for everyone
Home >> Honda >> 2017 >> Pilot EX, AWD >> Repair and Diagnosis >> Engine Performance >> System >> Engine Control System - Advanced Diagnostics (3 Of 3) >> DTC Advanced Diagnostics >> DTC P2101

DTC P2101

DTC P2101:  Electronic Throttle Control System (ETCS) Malfunction

General Description 

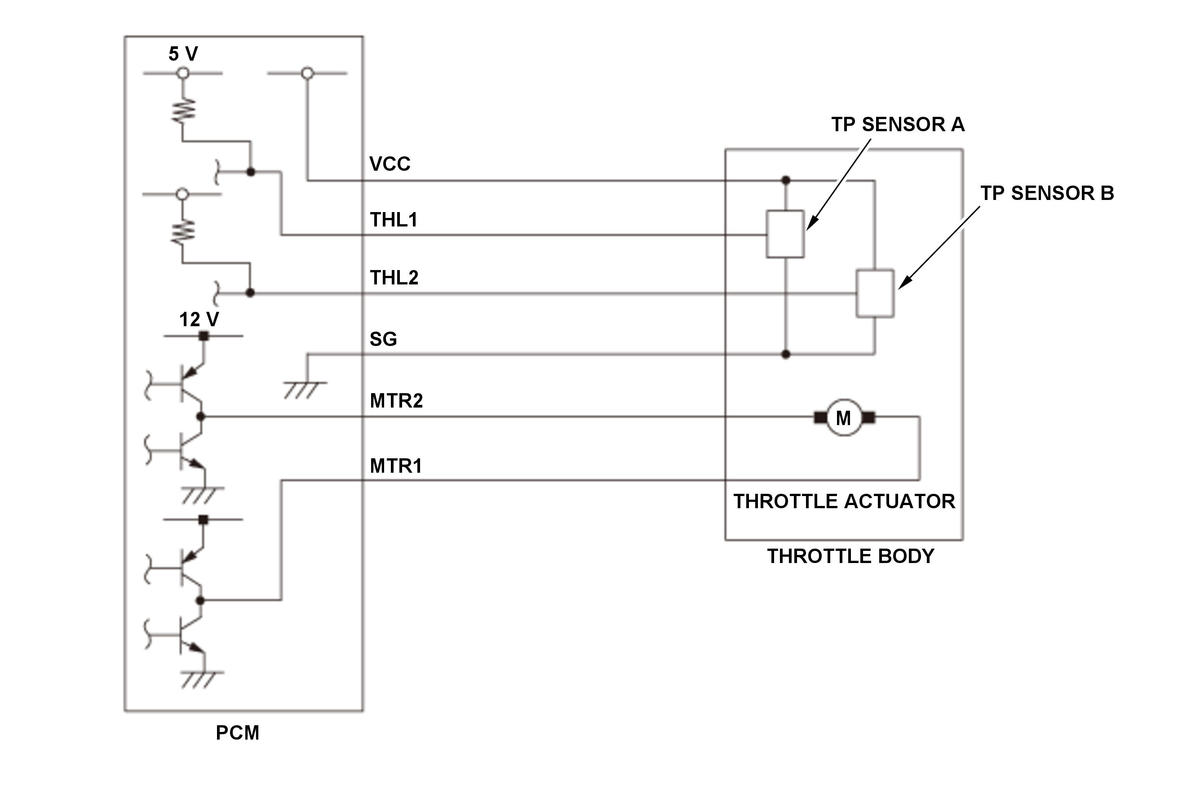
GHH306885Courtesy of HONDA, U.S.A., INC.

The electronic throttle control system controls the throttle valve opening. The system includes the throttle actuator, the throttle valve, throttle position (TP) sensors A and B, the electronic throttle control system (ETCS) control relay circuit, the accelerator pedal position (APP) sensor, and the powertrain control module (PCM). When the accelerator pedal is pressed, the APP sensor detects the accelerator pedal opening value. The accelerator pedal opening value is converted to a signal in the APP sensor and transmitted to the PCM to compute the target position. The PCM determines the throttle valve target position according to the signal received and operates the throttle actuator to move the throttle valve to the target position. The actual throttle valve position is determined by TP sensor A (installed in the throttle body). The PCM compares the throttle valve target opening angle and the actual throttle valve opening angle from TP sensor A, and when the difference exceeds the specification, the PCM detects the malfunction of the electronic throttle control system and stores a DTC.

Monitor Execution, Sequence, Duration, DTC Type, OBD Status 

Execution Continuous
Sequence None
Duration 250 milliseconds or more*, 500 milliseconds or more**
DTC Type One drive cycle, MIL on

* : Throttle valve closed direction

** : Throttle valve open direction

Enable Conditions 

Condition Minimum Maximum
12 volt battery voltage [BATTERY] 6.0 V -
Vehicle ON mode

[ ]: HDS Parameter

Malfunction Threshold 

One of the conditions in this table is met for at least 250 milliseconds* (500 milliseconds**).

Throttle valve target position Difference between throttle valve target position and actual throttle valve position
2 ° 4 ° or more
6 ° 5.4 ° or more
10 ° 5.7 ° or more
15 ° 6 ° or more
90 ° 6 ° or more

Possible Cause 

NOTE:  The causes shown may not be a complete list of all potential problems, and it is possible that there may be other causes.

Diagnosis Details 

Conditions for setting the DTC 

When a malfunction is detected, the MIL comes on and a Pending DTC, a Confirmed DTC, and the freeze data are stored in the PCM memory.

Conditions for clearing the DTC 

The MIL is cleared if the malfunction does not return in three consecutive trips in which the diagnostic runs. The MIL, the Pending DTC, the Confirmed DTC, and the freeze data can be cleared with the scan tool Clear command or by disconnecting the 12 volt battery.