LEMON Manuals: Even more car manuals for everyone
Home >> Honda >> 2017 >> Pilot EX, AWD >> Repair and Diagnosis >> Engine Performance >> System >> Engine Control System - Advanced Diagnostics (1 Of 3) >> Advanced Diagnostics >> DTC : P0339 >> General Description

DTC : P0339: General Description

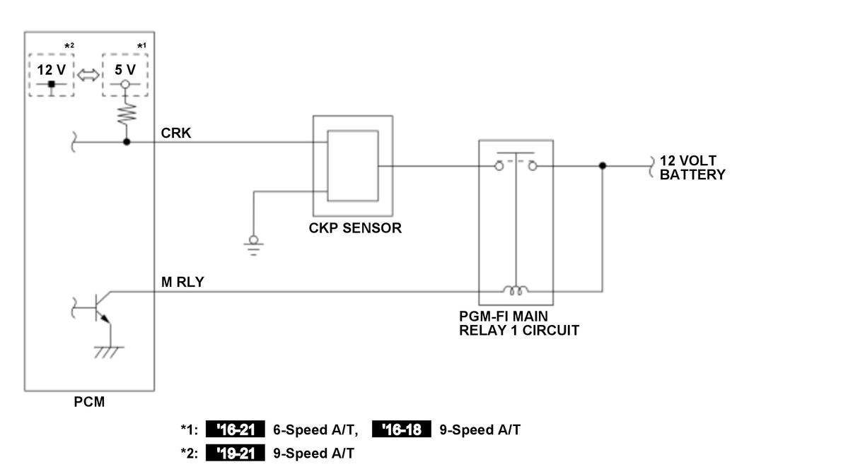
GHH306618Courtesy of HONDA, U.S.A., INC.

The crankshaft position (CKP) sensor detects injection/ignition timing for each cylinder and engine speed. The CKP sensor consists of a rotor and a semiconductor that detects rotor position. When the engine starts, the rotor turns and the magnetic flux in the semiconductor device changes. The changes of magnetic flux are converted into pulsing signals to the powertrain control module (PCM). If abnormal amount of pulsing signals from the CKP sensor are detected, the PCM detects a malfunction and stores a DTC.