LEMON Manuals: Even more car manuals for everyone
Home >> Honda >> 2017 >> Pilot EX, AWD >> Repair and Diagnosis >> Accessories & Equipment >> Anti-Theft Systems >> Security System Keyless Entry System - Testing & Troubleshooting (1 Of 2) >> Circuit Diagram >> Keyless Access System (2019 2020 2021)

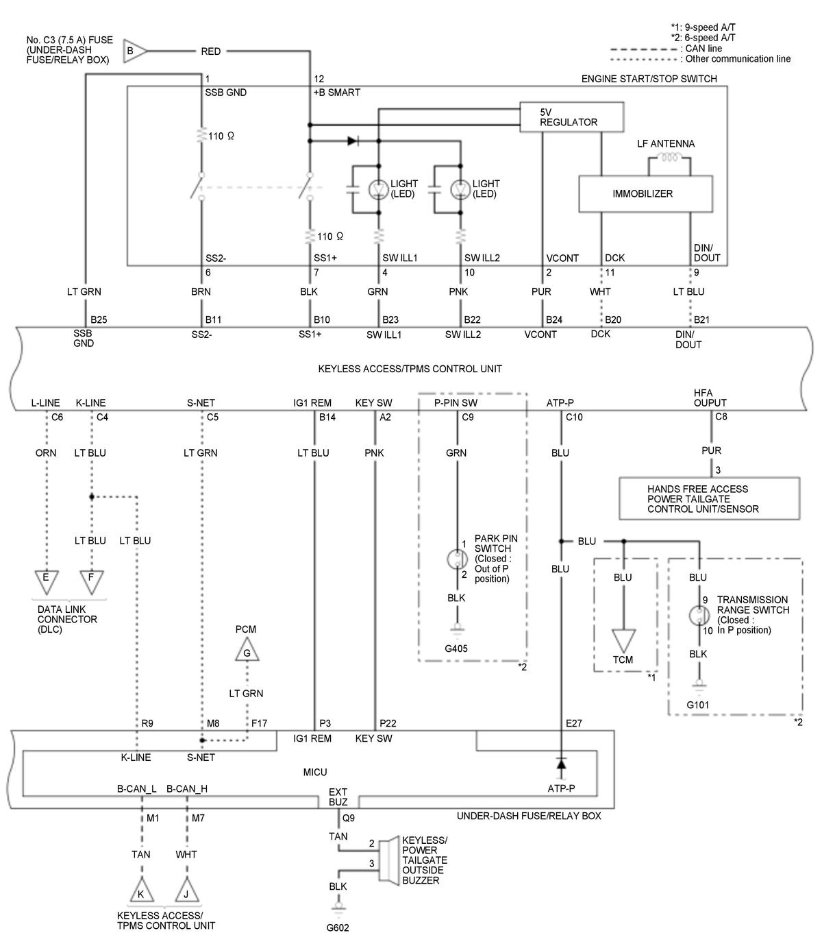
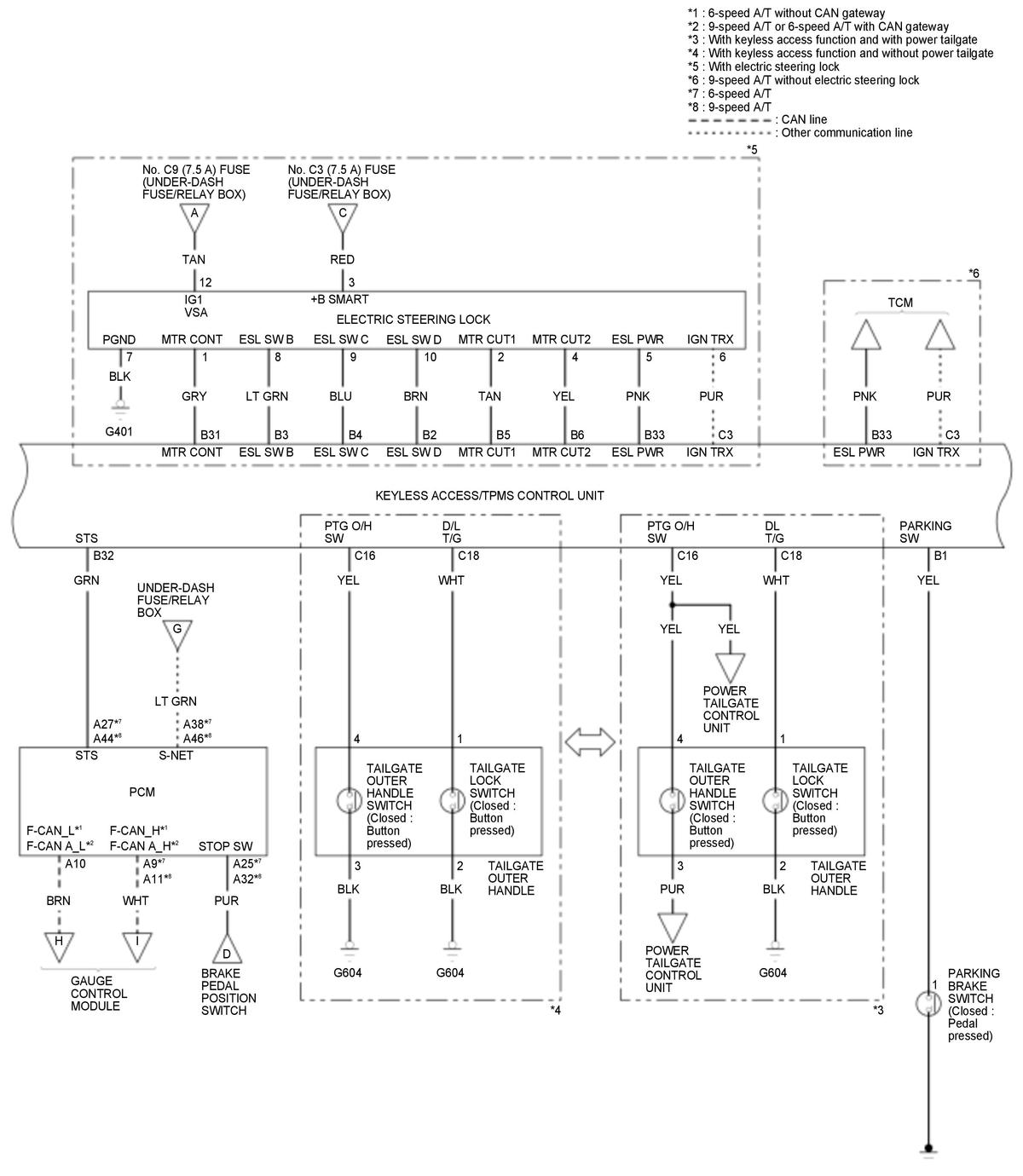
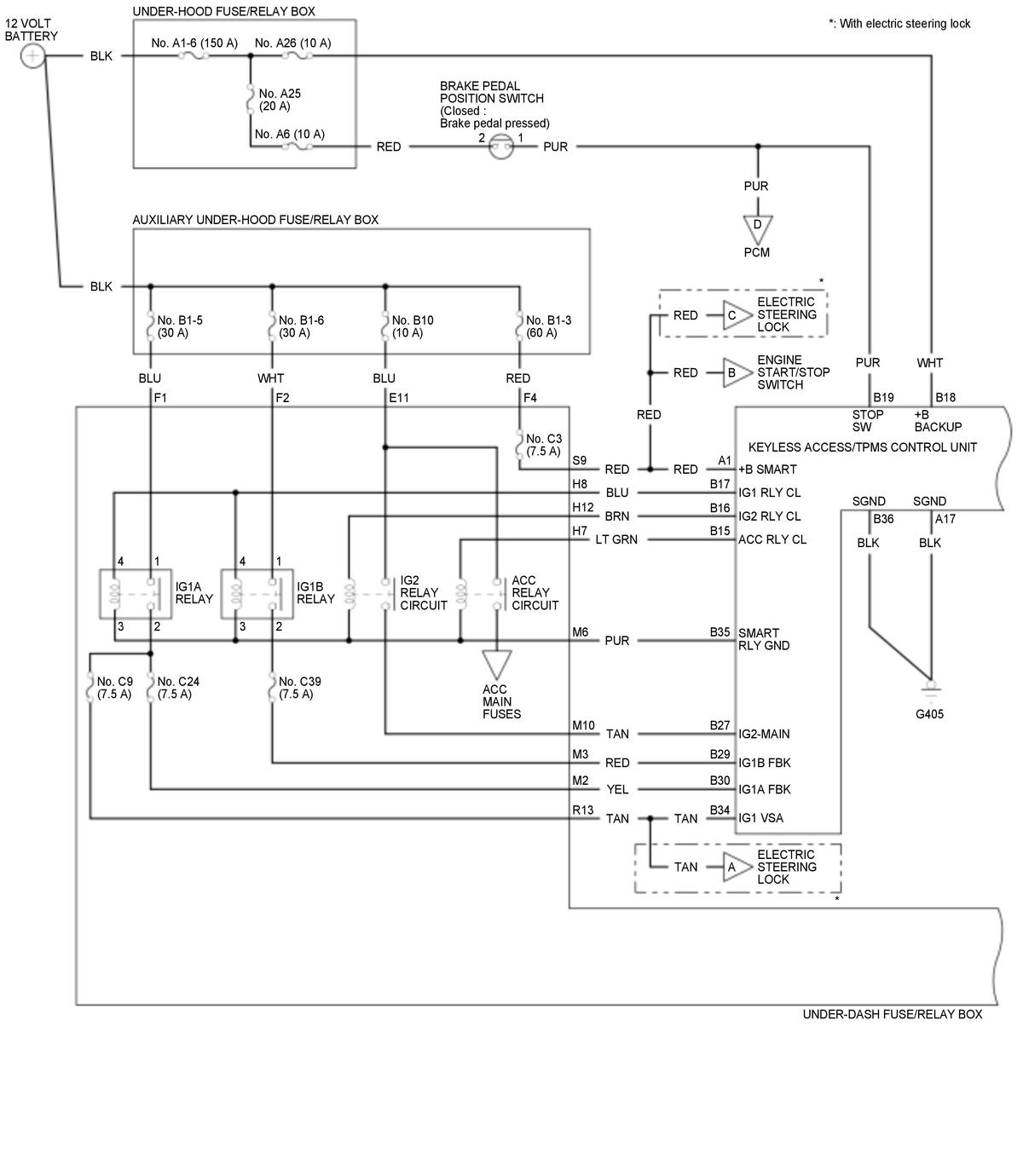
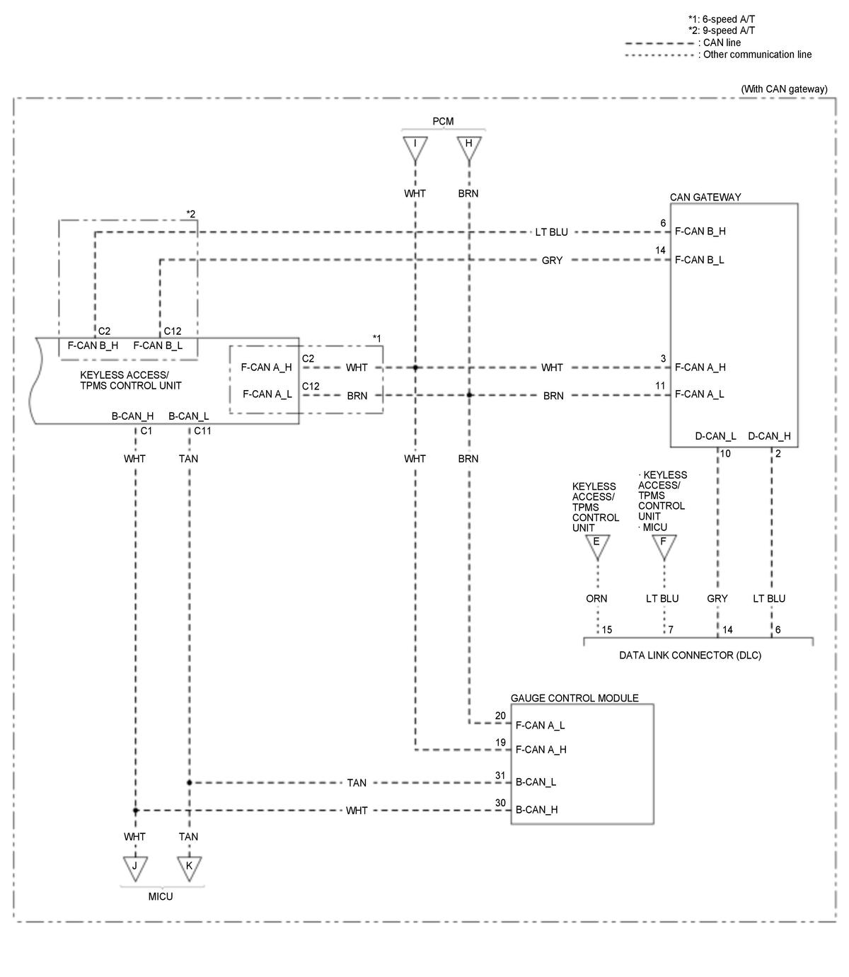
Keyless Access System (2019 2020 2021)

GHH312294Courtesy of HONDA, U.S.A., INC.
GHH312295Courtesy of HONDA, U.S.A., INC.
GHH312296Courtesy of HONDA, U.S.A., INC.
GHH312297Courtesy of HONDA, U.S.A., INC.
GHH312298Courtesy of HONDA, U.S.A., INC.
GHH312299Courtesy of HONDA, U.S.A., INC.