LEMON Manuals: Even more car manuals for everyone
Home >> Honda >> 2017 >> Pilot EX, AWD >> Repair and Diagnosis >> Accessories & Equipment >> Anti-Theft Systems >> Security System Keyless Entry System - Testing & Troubleshooting (1 Of 2) >> Circuit Diagram >> Keyless Access System (2016 2017 2018)

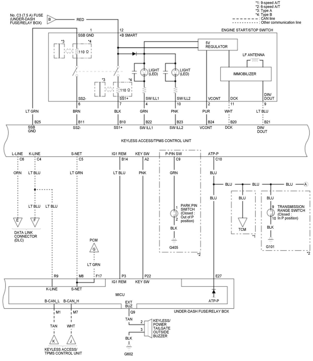
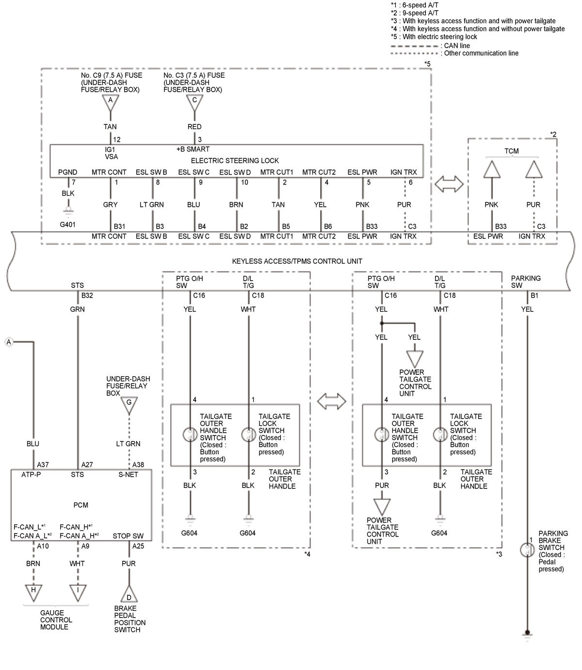
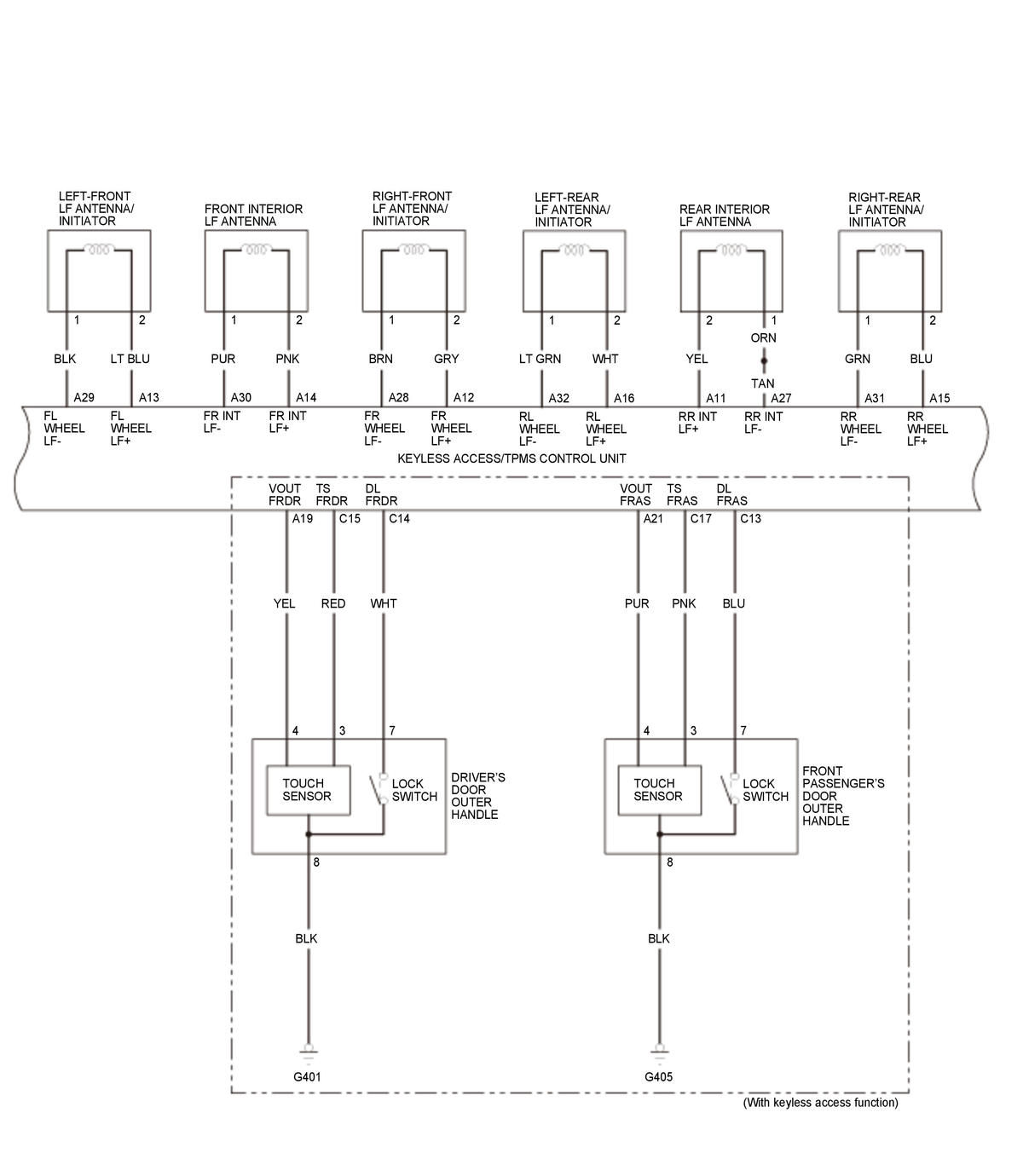
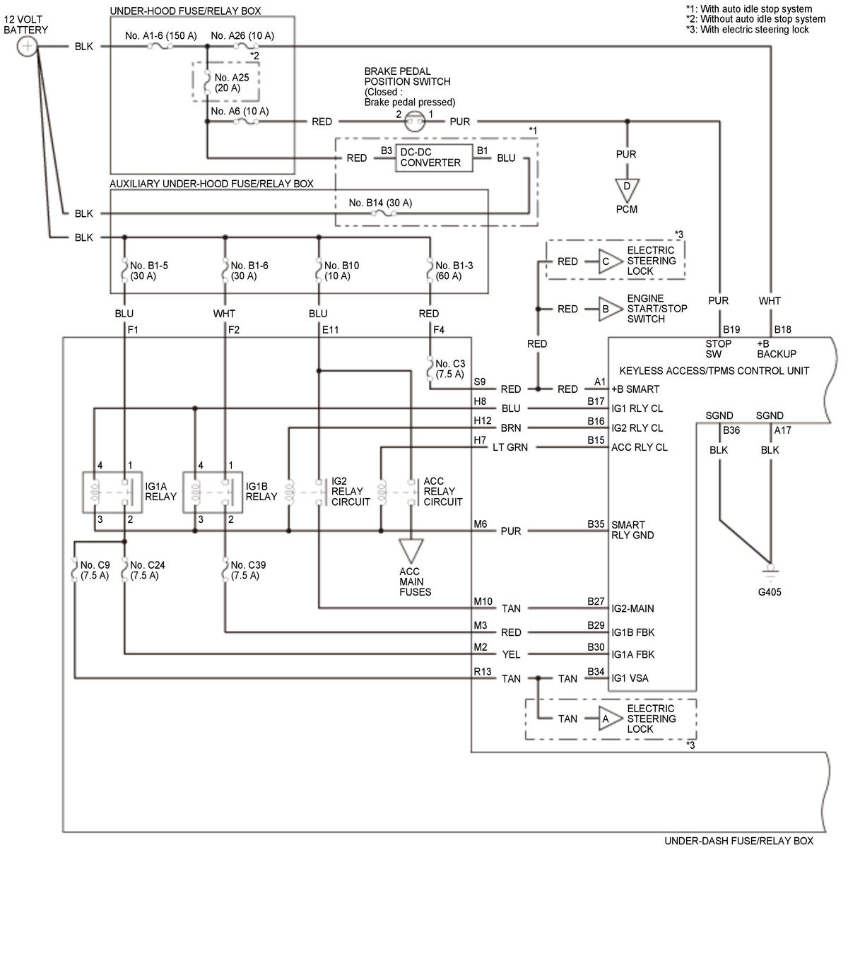
Keyless Access System (2016 2017 2018)

GHH312289Courtesy of HONDA, U.S.A., INC.
GHH312290Courtesy of HONDA, U.S.A., INC.
GHH312291Courtesy of HONDA, U.S.A., INC.
GHH312292Courtesy of HONDA, U.S.A., INC.
GHH312293Courtesy of HONDA, U.S.A., INC.