LEMON Manuals: Even more car manuals for everyone
Home >> Honda >> 2017 >> Pilot EX, AWD >> Repair and Diagnosis >> Accessories & Equipment >> Anti-Theft Systems >> Security System Keyless Entry System - Testing & Troubleshooting (1 Of 2) >> Circuit Diagram >> KEYLESS/POWER DOOR LOCKS/SECURITY SYSTEM (WITHOUT Auto Idle Stop System) (2016 2017 2018)

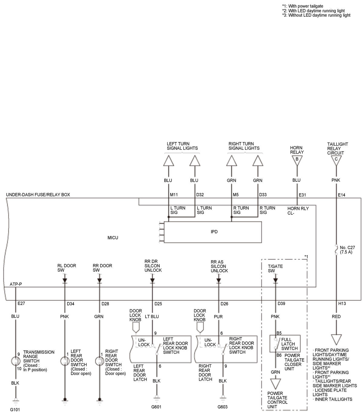
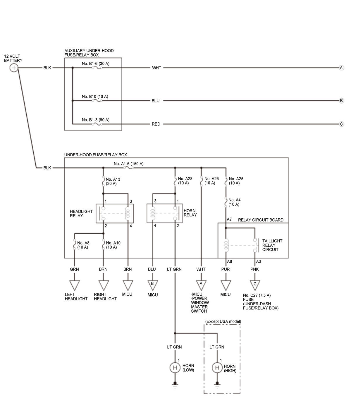
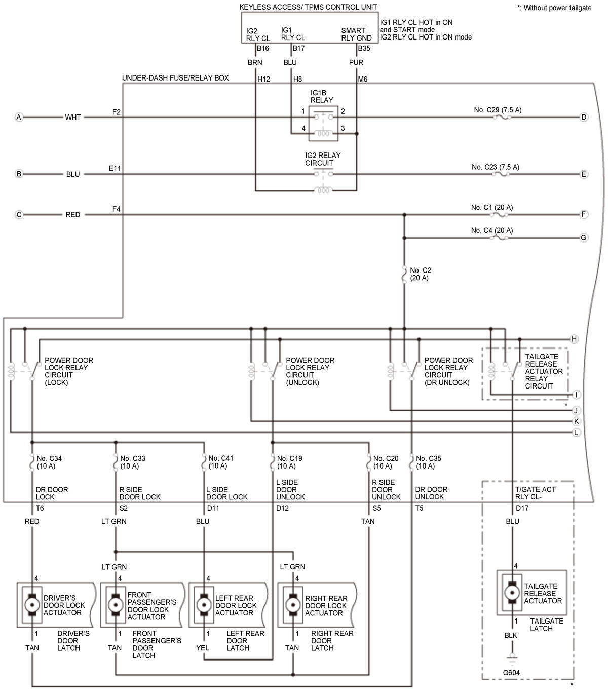
KEYLESS/POWER DOOR LOCKS/SECURITY SYSTEM (WITHOUT Auto Idle Stop System) (2016 2017 2018)

GHH312305Courtesy of HONDA, U.S.A., INC.
GHH312306Courtesy of HONDA, U.S.A., INC.
GHH312307Courtesy of HONDA, U.S.A., INC.
GHH312308Courtesy of HONDA, U.S.A., INC.
GHH312309Courtesy of HONDA, U.S.A., INC.