LEMON Manuals: Even more car manuals for everyone
Home >> Honda >> 2017 >> Odyssey EX >> Repair and Diagnosis >> Engine Performance >> System >> EVAP System >> Fuel Cap Warning Message System Troubleshooting

Fuel Cap Warning Message System Troubleshooting

Special Tools Required 

Do this procedure if the fuel cap warning message comes on frequently, or if the message does not go off after the fuel fill cap is tightened and the vehicle is driven several days.

  1. Check the fuel fill cap (the cap must say TIGHTEN TO CLICK). It should turn 1/4 after it's tight, then it clicks.

    Is the correct fuel fill cap installed and properly tightened? 

    YES  -Go to step 2.

    NO  -Replace or tighten the cap, then go to step  13.

  2. Check the fuel fill cap seal (A) and the fuel fill pipe mating surface (B). Make sure the fuel fill cap tether cord (C) is not caught under the cap.
    Fig 1: Identifying Fuel Fill Cap Seal, Fuel Fill Pipe Mating Surface And Cap Tether Cord
    G06964047Courtesy of AMERICAN HONDA MOTOR CO., INC.

    Is the fuel fill cap seal missing or damaged, is the fuel fill pipe damaged, or is the tether cord caught under the cap? 

    YES  -Replace the fuel fill cap or the fuel fill pipe, then go to step  13.

    NO  -Go to step 3.

  3. Reinstall and tighten the fuel fill cap.
  4. Clear the DTC with the HDS.
  5. Start the engine. Hold the engine speed at 3, 000 rpm without load (in P or N) until a radiator fan comes on, then let it idle for 1 minute.
  6. Test drive at 45 mph (72 km/h) for 1 minute or more.

    Does the fuel fill cap warning message come on? 

    YES  -Go to step 7.

    NO  -Intermittent failure, the system is OK at this time.

  7. Turn the ignition switch to LOCK (0).
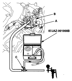
  8. Disconnect the vacuum hose (A) from the EVAP canister purge valve (B) in the engine compartment, then connect a T-fitting (C), a vacuum gauge, and a vacuum pump/gauge, 0-30 inHg, to the EVAP canister purge valve as shown.
    Fig 2: Connecting T-Fitting And Vacuum Pump/Gauge To EVAP Canister Purge Valve
    G06964048Courtesy of AMERICAN HONDA MOTOR CO., INC.
  9. Turn the ignition switch to ON (II).
  10. Apply about 2 kPa (0.6 inHg, 15 mmHg) of vacuum to the hose.
  11. Select the EVAP PCS ON in the INSPECTION MENU with the HDS.

    Does the vacuum release immediately? 

    YES  -Check for a blockage in the vacuum hose between the EVAP canister purge valve and the EVAP canister, then go to step 12.

    NO  -Replace the EVAP canister purge valve (see EVAP CANISTER PURGE VALVE REPLACEMENT  ), then go to step 12.

  12. Install the parts in the reverse order of removal.
  13. Turn the ignition switch to ON (II).
  14. Reset the PCM with the HDS.
  15. Do the PCM idle learn procedure (see PCM IDLE LEARN PROCEDURE ).
  16. Start the engine. Hold the engine speed at 3, 000 rpm without load (in P or N) until the radiator fan comes on, then let it idle for 1 minute.
  17. Test-drive at 45 mph (72 km/h) for 1 minute or more.

    Does the fuel cap warning message come on? 

    YES  -Go to step  1 and recheck.

    NO  -Troubleshooting is complete.