LEMON Manuals: Even more car manuals for everyone
Home >> Honda >> 2017 >> Odyssey EX >> Repair and Diagnosis >> Engine Performance >> Engine Control Systems >> Active Control Engine Mount (ACM) System >> Circuit Diagram

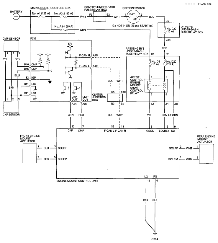
Circuit Diagram

Fig 1: Active Control Engine Mount (ACM) System Circuit Diagram
G06966308Courtesy of AMERICAN HONDA MOTOR CO., INC.