LEMON Manuals: Even more car manuals for everyone
Home >> Honda >> 2017 >> HR-V EX, AWD >> Repair and Diagnosis >> Engine Performance >> System >> Engine Control System - Advanced Diagnostics (2 Of 2) >> Advanced Diagnostics >> DTC P154A

DTC P154A

DTC P154A:  Battery Sensor Internal Failure

General Description 

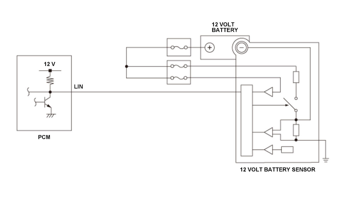
GHH434229Courtesy of HONDA, U.S.A., INC.

The local interconnect network (LIN) line connects the 12 volt battery sensor and the powertrain control module (PCM). The LIN uses a master/slave protocol to send and receive data to the different components on the line. The PCM is the master unit, which controls the engine electrical system, and the 12 volt battery sensor unit is the slave that receives data and provides feedback to the PCM. The 12 volt battery sensor is connected between the 12 volt battery and ground. The 12 volt battery sensor measures the 12 volt battery's current, voltage, and temperature. When the PCM requests this information to operate the engine electrical system efficiently, the 12 volt battery sensor runs a diagnostic program and sends the results to the PCM via the LIN. If the diagnostic results are outside the normal range, the PCM detects a malfunction and stores a DTC.

Monitor Execution, Sequence, Duration, DTC Type, OBD Status 

Execution Continuous
Sequence None
Duration 5 seconds or more
DTC Type One drive cycle, MIL off
OBD Status PASSED/FAILED/NOT COMPLETED (STILL TESTING)

Enable Conditions 

Condition  
Vehicle ON mode
No active DTCs set (prevents monitor from running) P16E3

Malfunction Threshold 

Any of the conditions is met for at least 5 seconds:

Possible Cause 

NOTE:  The causes shown may not be a complete list of all potential problems, and it is possible that there may be other causes.

Diagnosis Details 

Conditions for setting the DTC 

When a malfunction is detected, a Pending DTC, a Confirmed DTC, and the freeze data are stored in the PCM memory. The MIL does not come on.

Conditions for clearing the DTC 

The Pending DTC, the Confirmed DTC, and the freeze data can be cleared with the scan tool Clear command or by disconnecting the 12 volt battery.