LEMON Manuals: Even more car manuals for everyone
Home >> Honda >> 2016 >> CR-V SE, AWD >> Repair and Diagnosis >> Engine Performance >> Engine Control Systems >> Engine Control System & Engine Mechanical - Testing & Troubleshooting >> Description >> Electronic Throttle Control System Description

Electronic Throttle Control System Description

Overview 

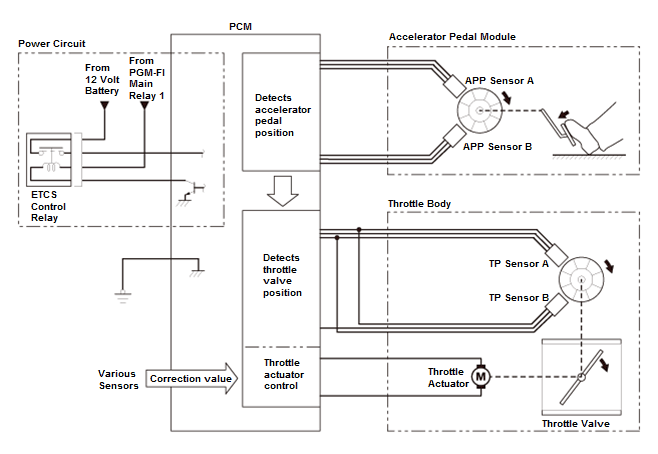
The ETCS opens and closes the throttle valve by electronic control. This system consists of a throttle actuator built into the throttle body, throttle valve and throttle position sensor A/B, accelerator pedal position sensor A/B, ETCS driver built into the PCM and ETCS relay (in the under-hood fuse/relay box) that supplies power to the ETCS driver.

GHH49119Courtesy of HONDA, U.S.A., INC.

Electronic throttle control system is a system that the throttle valve is opened and closed by electronic control, having various functions, such as follows:

Idle Control Function 

Wherein the throttle position is controlled to optimize idle speed depending on the engine loads when idling.

Accelerator Control Function 

Where the target throttle position is calculated by the throttle position sensor signals to control the throttle valve when the accelerator pedal is pressed.

VTEC System Coordination Control Function 

Where switch for VTEC is operated smoothly by controlling the throttle valve in coordination with the VTEC.

Transmission Coordination Control Function 

Where the throttle valve is controlled in coordination with the transmission to reduce shift time.

VSA Control Function 

Where the throttle position is controlled based on a signal from the VSA modulator control unit.

Control 

When the accelerator pedal is operated, accelerator pedal position sensors are driven and the accelerator pedal position is detected. The accelerator pedal position is delivered to the PCM, and the PCM drives the throttle actuator in the throttle body based on the delivered throttle pedal position to open and close the throttle valve. Throttle position is detected by the throttle position or TP sensors in the throttle body and delivered to the PCM. The PCM drives the throttle actuator to control the throttle position, during idling, when the VTEC system switches, when shifting, during VSA control, and when necessary as well as based on the signals from the accelerator pedal position sensors.

GHH49120Courtesy of HONDA, U.S.A., INC.