LEMON Manuals: Even more car manuals for everyone
Home >> Honda >> 2014 >> Pilot EX, FWD >> Repair and Diagnosis >> Engine Performance >> System >> Advanced Diagnostics >> DTC P062F: Powertrain Control Module (PCM) Keep Alive Memory (KAM) Error (A/T System) >> Notes

DTC P062F: Powertrain Control Module (PCM) Keep Alive Memory (KAM) Error (A/T System): Notes

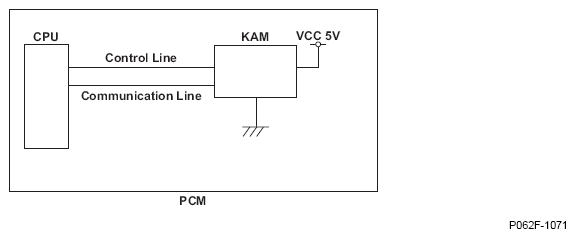
Fig 1: Powertrain Control Module Communication Diagram
G08568856Courtesy of AMERICAN HONDA MOTOR CO., INC.