LEMON Manuals: Even more car manuals for everyone
Home >> Honda >> 2014 >> Pilot EX, FWD >> Repair and Diagnosis >> Engine Performance >> System >> Advanced Diagnostics >> DTC P0506: Idle Control System RPM Lower than Expected >> Notes

DTC P0506: Idle Control System RPM Lower than Expected: Notes

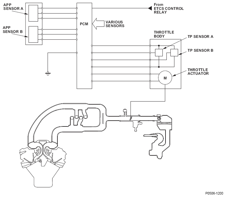
Fig 1: Idle Control System - Circuit Diagram
G08568839Courtesy of AMERICAN HONDA MOTOR CO., INC.
Fig 2: Idle Control System Characteristics Graph
G08568840Courtesy of AMERICAN HONDA MOTOR CO., INC.