LEMON Manuals: Even more car manuals for everyone
Home >> Honda >> 2014 >> Pilot EX, FWD >> Repair and Diagnosis >> Engine Performance >> System >> Advanced Diagnostics >> DTC P0401: Exhaust Gas Recirculation (EGR) Insufficient Flow >> Notes

DTC P0401: Exhaust Gas Recirculation (EGR) Insufficient Flow: Notes

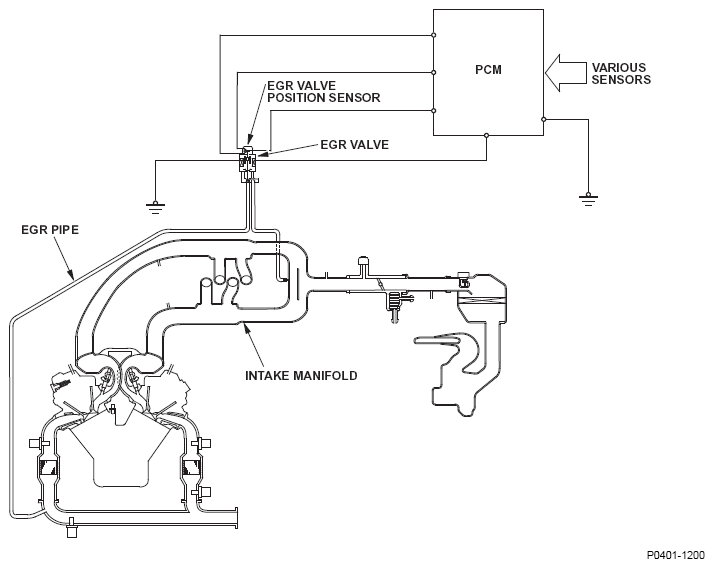
Fig 1: Exhaust Gas Recirculation - System Diagram
G08568801Courtesy of AMERICAN HONDA MOTOR CO., INC.
Fig 2: Exhaust Gas Recirculation System Characteristics Graph
G08568802Courtesy of AMERICAN HONDA MOTOR CO., INC.