LEMON Manuals: Even more car manuals for everyone
Home >> Honda >> 2014 >> Accord Plug-In >> Repair and Diagnosis >> External Pages >> Different variant/trim >> Section 113 (Security System Keyless Entry System - Testing & Troubleshooting (2 Of 2) (Except Hybrid)) >> Circuit Diagram >> Keyless/Power Door Locks/Security System Circuit Diagram (2016-17)

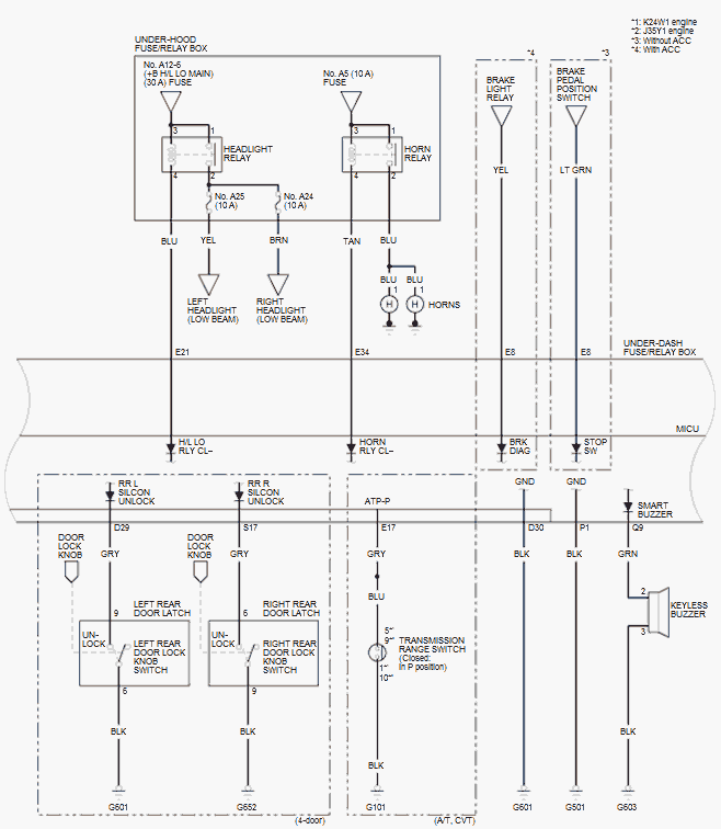
Keyless/Power Door Locks/Security System Circuit Diagram (2016-17)

WARNING: This page is about a different variant/trim than selected.

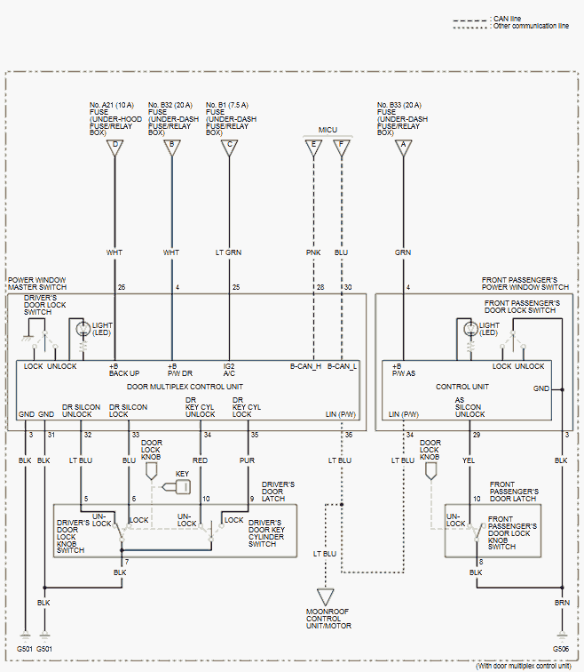
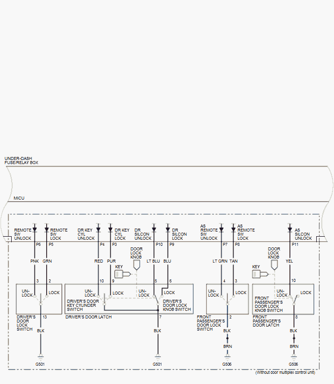
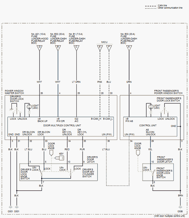
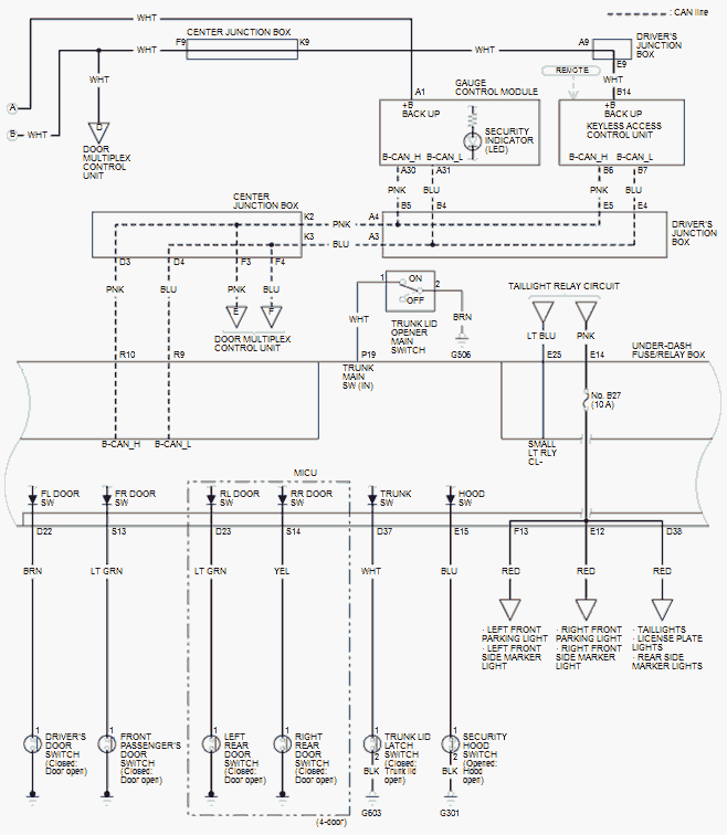
Without keyless access system 

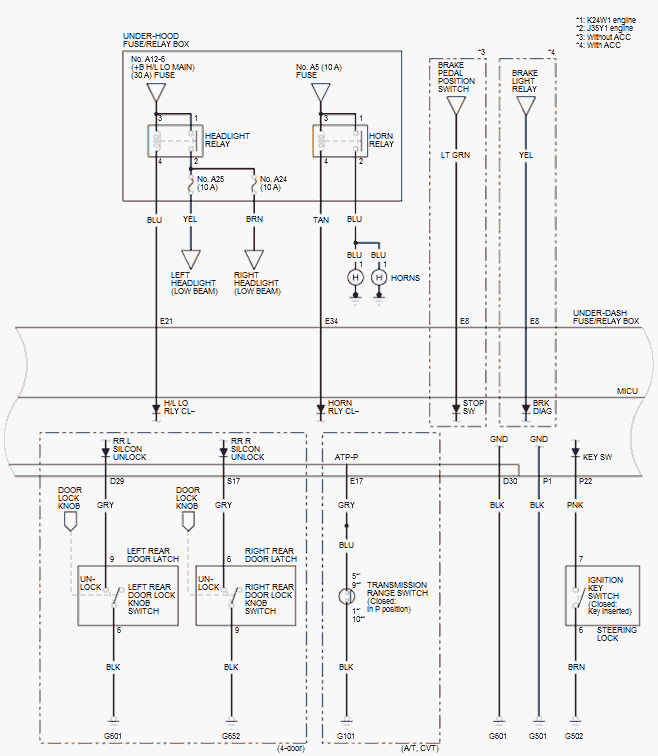
GHH64227Courtesy of HONDA, U.S.A., INC.
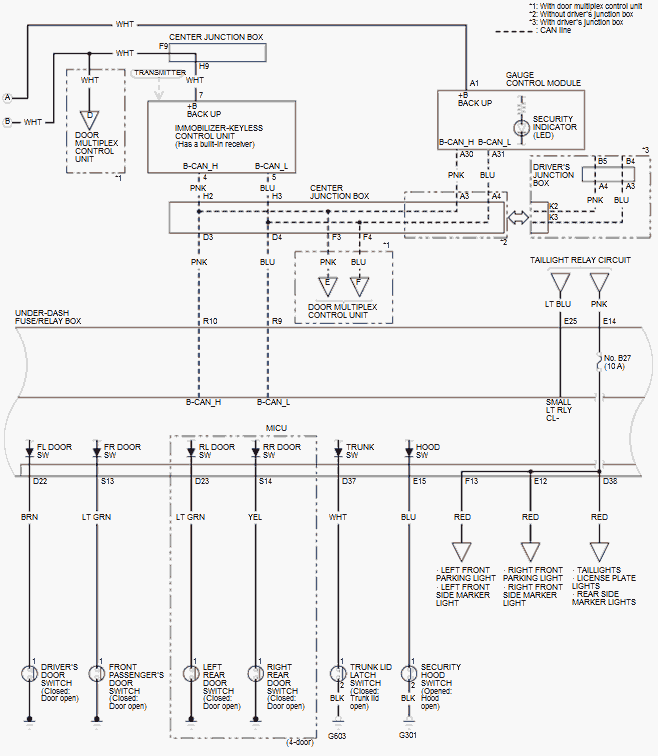
GHH64228Courtesy of HONDA, U.S.A., INC.
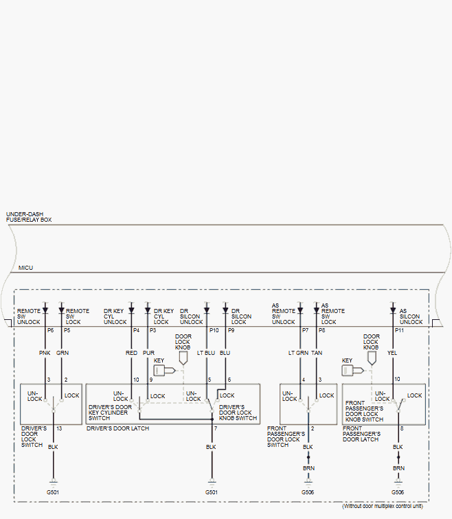
GHH64229Courtesy of HONDA, U.S.A., INC.
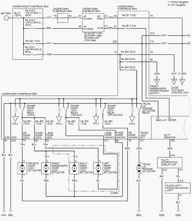
GHH64230Courtesy of HONDA, U.S.A., INC.
GHH64231Courtesy of HONDA, U.S.A., INC.
GHH64232Courtesy of HONDA, U.S.A., INC.

With keyless access system 

GHH64233Courtesy of HONDA, U.S.A., INC.
GHH64234Courtesy of HONDA, U.S.A., INC.
GHH64235Courtesy of HONDA, U.S.A., INC.
GHH64236Courtesy of HONDA, U.S.A., INC.
GHH64237Courtesy of HONDA, U.S.A., INC.
GHH64238Courtesy of HONDA, U.S.A., INC.