LEMON Manuals: Even more car manuals for everyone
Home >> Honda >> 2014 >> Accord Plug-In >> Repair and Diagnosis >> External Pages >> Different variant/trim >> Section 113 (Security System Keyless Entry System - Testing & Troubleshooting (2 Of 2) (Except Hybrid)) >> Circuit Diagram >> Immobilizer System Circuit Diagram (2016-17)

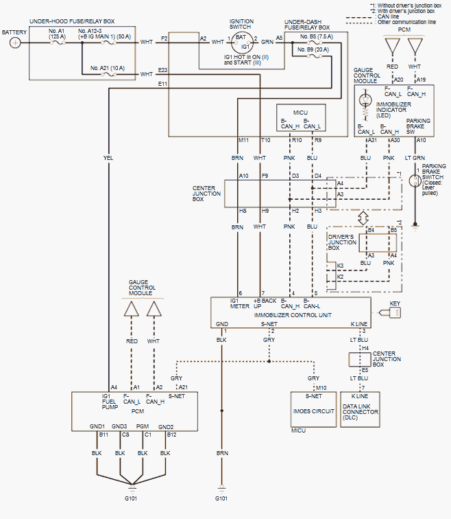
Immobilizer System Circuit Diagram (2016-17)

WARNING: This page is about a different variant/trim than selected.
GHH64188Courtesy of HONDA, U.S.A., INC.