LEMON Manuals: Even more car manuals for everyone
Home >> Honda >> 2014 >> Accord Plug-In >> Repair and Diagnosis >> Engine Performance >> Engine Control Systems >> Engine Control System & Engine Mechanical - Service, Testing & Troubleshooting (Hybrid) >> Description >> EGR System Description - Overview (2014 2015)

EGR System Description - Overview (2014 2015)

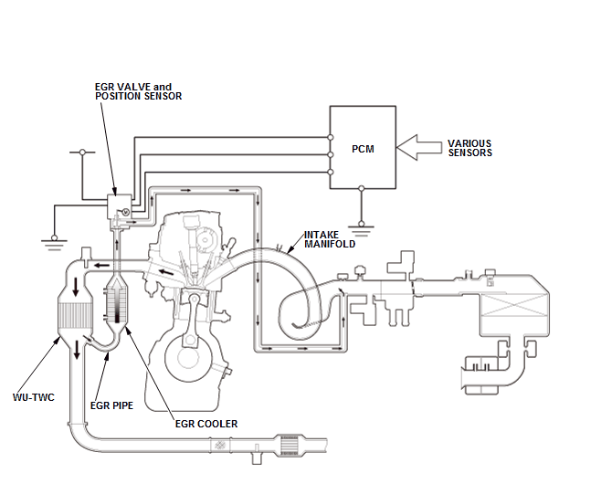
The EGR system lowers combustion temperature and reduces oxides of nitrogen (NOx) emissions, the EGR cooler further cools hot EGR gas.

The recirculating exhaust gas routes through the EGR pipe, the EGR cooler, the intake manifold, and into the combustion chambers. Routing the exhaust gas through the EGR pipe helps to prevent carbon deposits from forming in the intake manifold and the throttle body.

The PCM memory includes the ideal EGR valve position for varying operating conditions.

The EGR valve position sensor detects the amount of EGR valve lift and sends it to the PCM. The PCM then compares it with the ideal lift in its memory (based on signals sent from other sensors). If there is any difference between the two, the PCM cuts power to the EGR valve.

GHH259397Courtesy of HONDA, U.S.A., INC.

Exhaust Gas Recirculation Flow 

The exhaust gas downstream of the warm up three-way catalytic converter (WU-TWC) flows through the EGR pipe, the EGR cooler, the passage in the cylinder head, and the exhaust gas recirculation or EGR valve and position sensor.

GHH259398Courtesy of HONDA, U.S.A., INC.

EGR Valve 

The EGR valve consists of the following components.

GHH259399Courtesy of HONDA, U.S.A., INC.