LEMON Manuals: Even more car manuals for everyone
Home >> Honda >> 2014 >> Accord Plug-In >> Repair and Diagnosis (Single Page) >> Engine Performance >> System >> Engine Control System - Advanced Diagnostics (P0756-U12A5) (Hybrid) >> DTC Advanced Diagnostics >> DTC U129E: F-CAN Malfunction (PCM-Power Control Unit (PCU)) (2017)

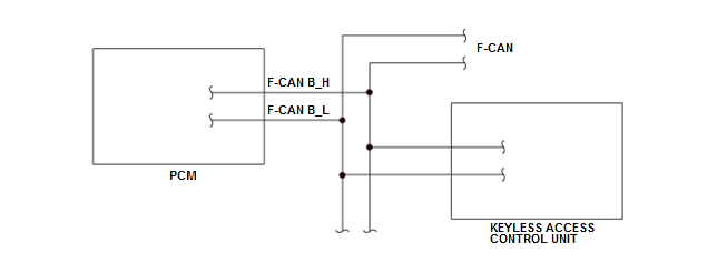
DTC U129E: F-CAN Malfunction (PCM-Power Control Unit (PCU)) (2017)

General Description 

GHH257873Courtesy of HONDA, U.S.A., INC.

The controller area network (F-CAN) transmits/receives pulsing signals to/from the control modules simultaneously by using two signal lines (F-CAN B_H and F-CAN B_L). When the information is not sent from the keyless access control unit via the F-CAN lines and this condition continues for a specified time or when the information sent from the keyless access control unit is abnormal and this condition continues for a specified cycle, the powertrain control module (PCM) detects a malfunction and stores a DTC.

Monitor Execution, Sequence, Duration, DTC Type, OBD Status 

Execution Continuous
Sequence None
Duration 1.5 seconds or more
DTC Type One drive cycle, MIL off
OBD Status PASSED/FAILED/NOT COMPLETED (STILL TESTING)

Enable Conditions 

Condition Minimum Maximum
Elapsed time after the vehicle condition is turned to the ON mode 3 seconds -
12 volt battery voltage [BATTERY] 10.0 V -

[ ]: HDS Parameter

Malfunction Threshold 

One of these conditions is met:

Possible Cause 

Diagnosis Details 

Conditions for setting the DTC 

When a malfunction is detected, a Pending DTC, a Confirmed DTC, and the freeze data are stored in the PCM memory. The MIL does not come on.

Conditions for clearing the DTC 

The Pending DTC, the Confirmed DTC, and the freeze data can be cleared with the scan tool Clear command or by disconnecting the 12 volt battery.