LEMON Manuals: Even more car manuals for everyone
Home >> Honda >> 2014 >> Accord Plug-In >> Repair and Diagnosis (Single Page) >> Body & Frame >> Seats >> Integrated Control Systems - Service, Testing & Troubleshooting (Hybrid) >> Circuit Diagram >> Multiplex Integrated Control System Circuit Diagram (2017)

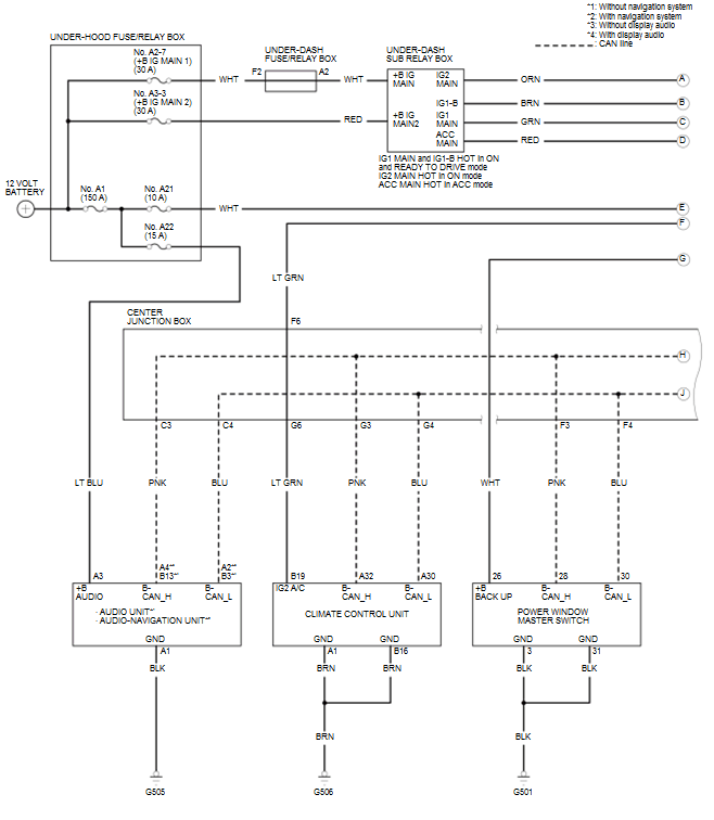
Multiplex Integrated Control System Circuit Diagram (2017)

GHH260820Courtesy of HONDA, U.S.A., INC.
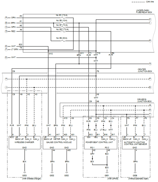
GHH260821Courtesy of HONDA, U.S.A., INC.
GHH260822Courtesy of HONDA, U.S.A., INC.
GHH260823Courtesy of HONDA, U.S.A., INC.