LEMON Manuals: Even more car manuals for everyone
Home >> Honda >> 2014 >> Accord Plug-In >> Repair and Diagnosis (Single Page) >> Body & Frame >> Seats >> Integrated Control Systems - Service, Testing & Troubleshooting (Hybrid) >> Circuit Diagram >> Multiplex Integrated Control System Circuit Diagram (2014 2015)

Multiplex Integrated Control System Circuit Diagram (2014 2015)

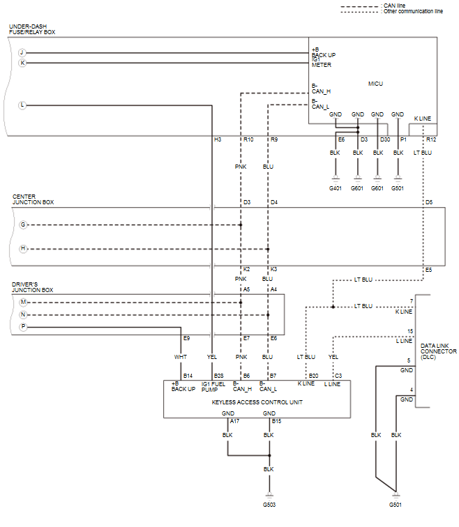
GHH260817Courtesy of HONDA, U.S.A., INC.
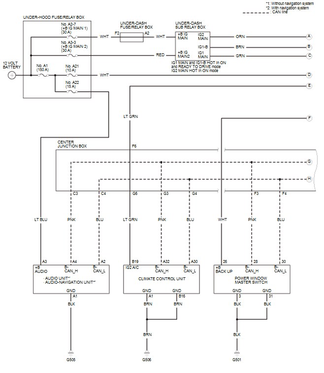
GHH260818Courtesy of HONDA, U.S.A., INC.
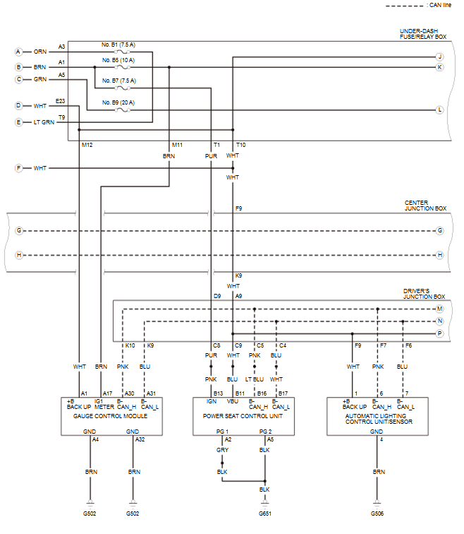
GHH260819Courtesy of HONDA, U.S.A., INC.