LEMON Manuals: Even more car manuals for everyone
Home >> Honda >> 2014 >> Accord Plug-In >> Repair and Diagnosis (Single Page) >> Accessories & Equipment >> Seats >> Integrated Control Systems - Service, Testing & Troubleshooting (Hybrid) >> Circuit Diagram >> Driving Position Memory System (DPMS) Circuit Diagram

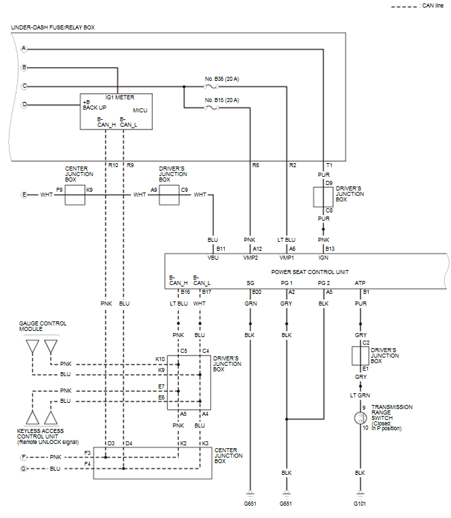
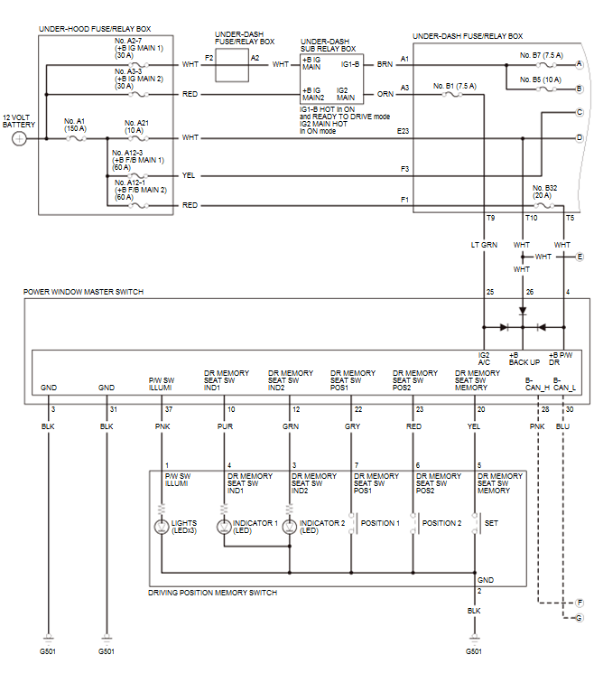
Driving Position Memory System (DPMS) Circuit Diagram

GHH260813Courtesy of HONDA, U.S.A., INC.
GHH260814Courtesy of HONDA, U.S.A., INC.
GHH260815Courtesy of HONDA, U.S.A., INC.
GHH260816Courtesy of HONDA, U.S.A., INC.