LEMON Manuals: Even more car manuals for everyone
Home >> Honda >> 2014 >> Accord Plug-In >> Repair and Diagnosis (Single Page) >> Accessories & Equipment >> Entertainment Systems >> Audio Visual Systems - Service & Testing (Hybrid) >> Circuit Diagram >> Audio and Visual System Circuit Diagram (Without Navigation, With Touch Screen) (2015)

Audio and Visual System Circuit Diagram (Without Navigation, With Touch Screen) (2015)

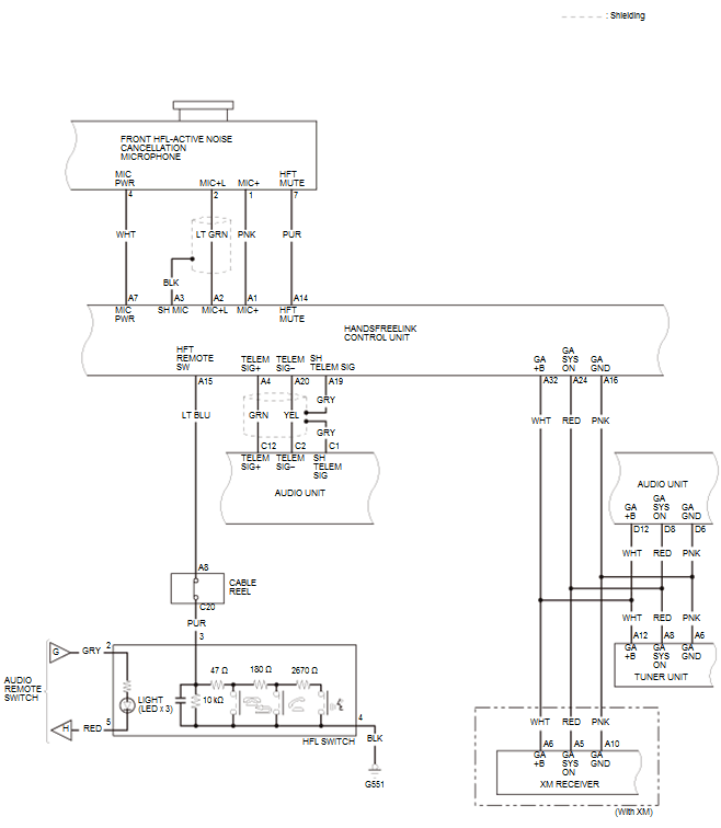
GHH254910Courtesy of HONDA, U.S.A., INC.
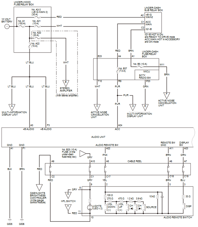
GHH254911Courtesy of HONDA, U.S.A., INC.
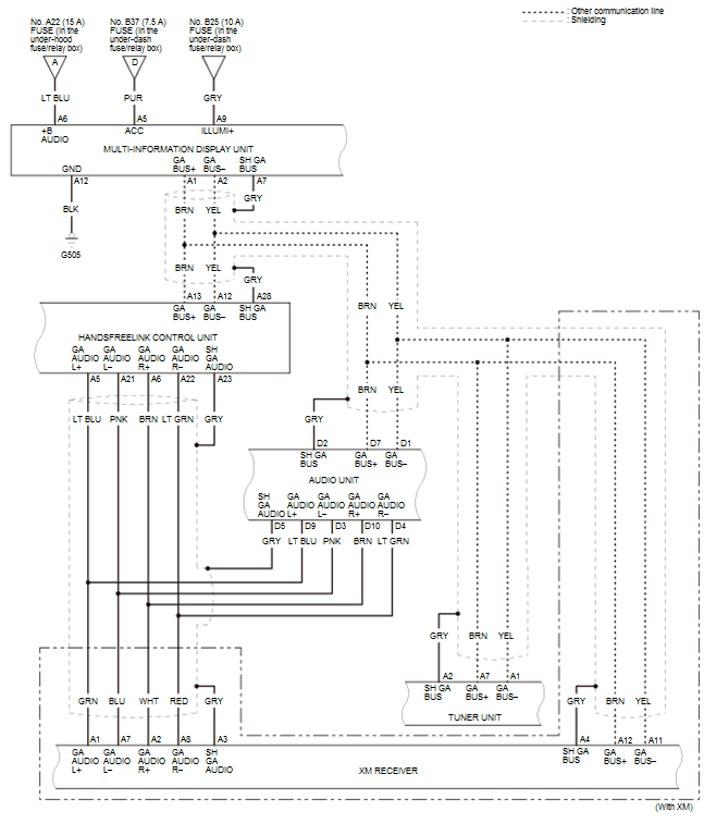
GHH254912Courtesy of HONDA, U.S.A., INC.
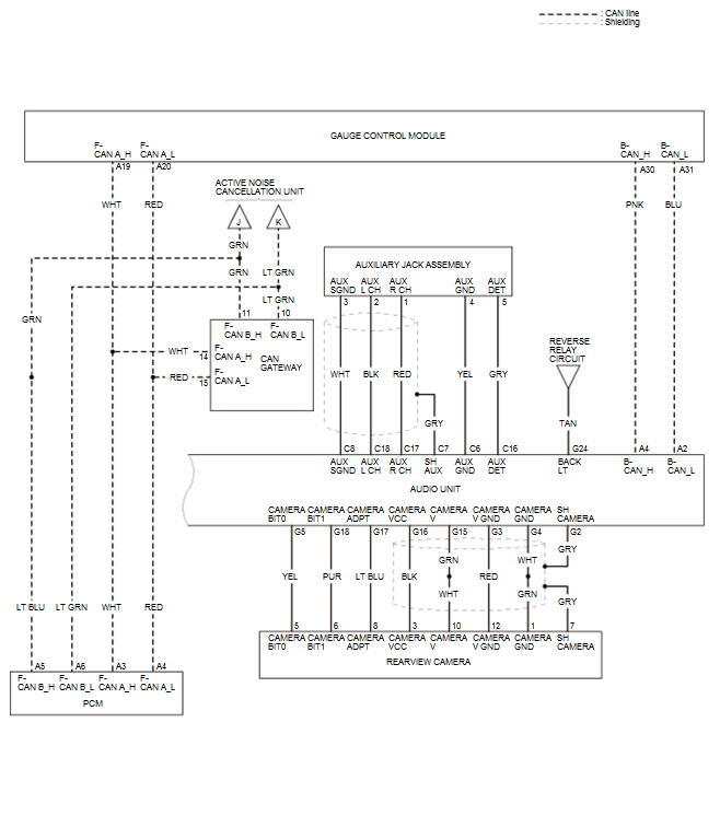
GHH254913Courtesy of HONDA, U.S.A., INC.
GHH254914Courtesy of HONDA, U.S.A., INC.
GHH254915Courtesy of HONDA, U.S.A., INC.
GHH254916Courtesy of HONDA, U.S.A., INC.