LEMON Manuals: Even more car manuals for everyone
Home >> Honda >> 2014 >> Accord Plug-In >> Repair and Diagnosis (Single Page) >> Accessories & Equipment >> Entertainment Systems >> Audio Visual Systems - Service & Testing (Hybrid) >> Circuit Diagram >> Audio and Visual System Circuit Diagram (Without Navigation, With Display Audio) (2017)

Audio and Visual System Circuit Diagram (Without Navigation, With Display Audio) (2017)

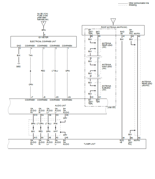
GHH254896Courtesy of HONDA, U.S.A., INC.
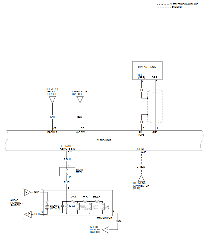
GHH254897Courtesy of HONDA, U.S.A., INC.
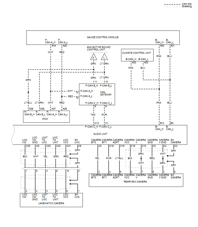
GHH254898Courtesy of HONDA, U.S.A., INC.
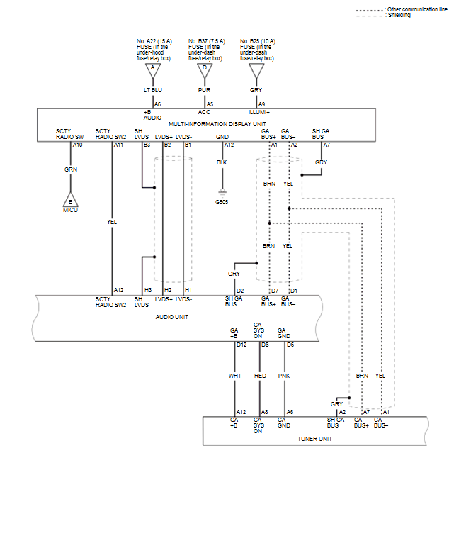
GHH254899Courtesy of HONDA, U.S.A., INC.
GHH254900Courtesy of HONDA, U.S.A., INC.
GHH254901Courtesy of HONDA, U.S.A., INC.
GHH254902Courtesy of HONDA, U.S.A., INC.