LEMON Manuals: Even more car manuals for everyone
Home >> Honda >> 2013 >> Ridgeline RT >> Repair and Diagnosis >> Engine Performance >> System >> Advanced Diagnostics >> DTC P0506: Idle Control System RPM Lower Than Expected >> Notes

DTC P0506: Idle Control System RPM Lower Than Expected: Notes

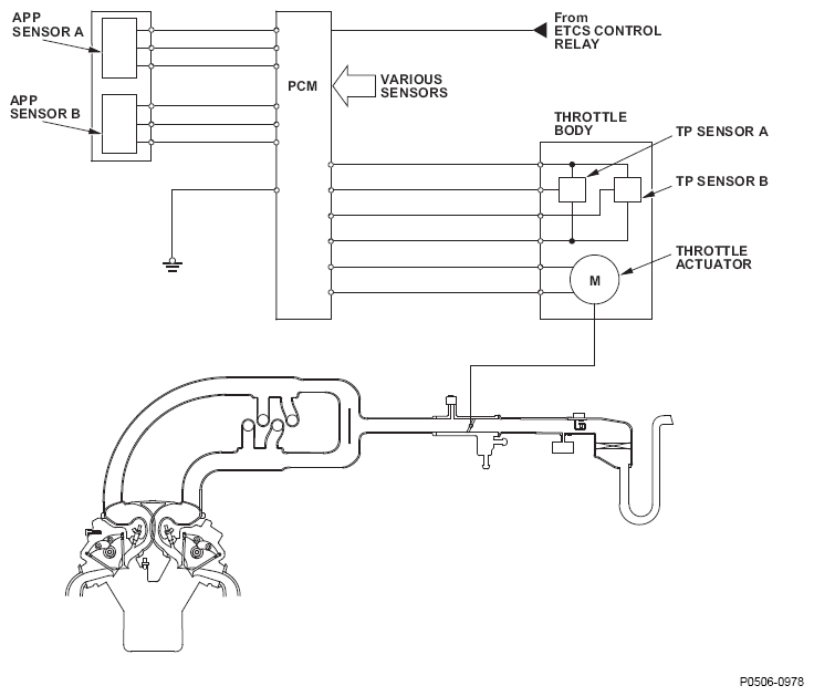
Fig 1: Idle Control System RPM Lower Than Expected - Wiring Diagram
G08569194Courtesy of AMERICAN HONDA MOTOR CO., INC.
Fig 2: Idle Control System Operation Graph
G08569195Courtesy of AMERICAN HONDA MOTOR CO., INC.