LEMON Manuals: Even more car manuals for everyone
Home >> Honda >> 2013 >> Ridgeline RT >> Repair and Diagnosis >> Engine Performance >> System >> Advanced Diagnostics >> DTC P0401: Exhaust Gas Recirculation (EGR) Insufficient Flow >> Notes

DTC P0401: Exhaust Gas Recirculation (EGR) Insufficient Flow: Notes

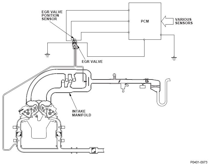
Fig 1: Exhaust Gas Recirculation (EGR) Insufficient Flow - Wiring Diagram
G08569158Courtesy of AMERICAN HONDA MOTOR CO., INC.
Fig 2: Exhaust Gas Recirculation (EGR) Valve Operation Chart
G08569159Courtesy of AMERICAN HONDA MOTOR CO., INC.