LEMON Manuals: Even more car manuals for everyone
Home >> Honda >> 2013 >> Insight Base >> Repair and Diagnosis >> Transmission >> Automatic Trans >> CVT >> System Description >> Shift Lock System >> Circuit Diagram - PCM CVT Control System-Six-position Transmission

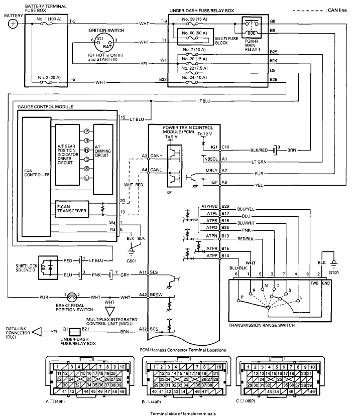
Circuit Diagram - PCM CVT Control System-Six-position Transmission

Fig 1: PCM CVT Control System-Six-Position Transmission - Circuit Diagram (1 Of 2)
G08093051Courtesy of AMERICAN HONDA MOTOR CO., INC.
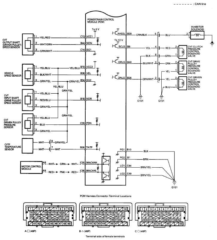
Fig 2: PCM CVT Control System-Six-Position Transmission - Circuit Diagram (2 Of 2)
G08093052Courtesy of AMERICAN HONDA MOTOR CO., INC.