LEMON Manuals: Even more car manuals for everyone
Home >> Honda >> 2013 >> Insight Base >> Repair and Diagnosis >> Engine Performance >> System >> Advanced Diagnostics >> DTC P0506: Idle Control System RPM Lower Than Expected >> Notes

DTC P0506: Idle Control System RPM Lower Than Expected: Notes

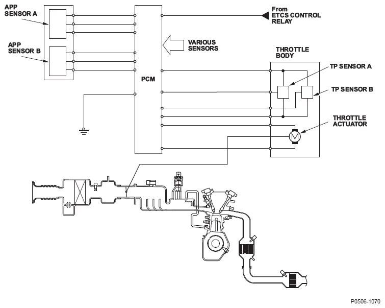
Fig 1: Idle Control System - Circuit Diagram
G06617521
Fig 2: Idle Speed Versus Time Graph (Normal And Failure Operation)
G08561130