LEMON Manuals: Even more car manuals for everyone
Home >> Honda >> 2013 >> Insight Base >> Repair and Diagnosis (Single Page) >> Engine Performance >> Testing & Diagnosis >> Advanced Diagnostics >> DTC P062F: Powertrain Control Module (PCM) Internal Control Module Keep Alive Memory (KAM) Error (PGM-FI System) >> Notes

DTC P062F: Powertrain Control Module (PCM) Internal Control Module Keep Alive Memory (KAM) Error (PGM-FI System): Notes

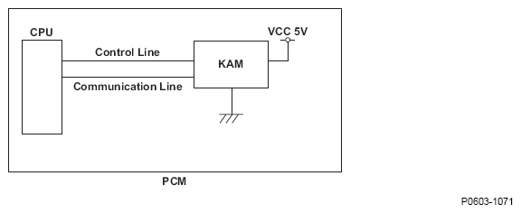
Fig 1: CPU And Keep Alive Memory Communication Diagram
G06628341