LEMON Manuals: Even more car manuals for everyone
Home >> Honda >> 2013 >> Insight Base >> Repair and Diagnosis (Single Page) >> Engine Performance >> System >> Advanced Diagnostics >> DTC U0029 (107): F-CAN Malfunction (BUS-OFF (Motor Control Module (MCM))) (Motor) (IMA System); DTC U0029 (108): F-CAN Malfunction (BUS-OFF (Motor Control Module (MCM))) (Battery) (IMA System) >> Notes

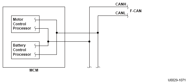
DTC U0029 (107): F-CAN Malfunction (BUS-OFF (Motor Control Module (MCM))) (Motor) (IMA System); DTC U0029 (108): F-CAN Malfunction (BUS-OFF (Motor Control Module (MCM))) (Battery) (IMA System): Notes

Fig 1: Motor Control Module - Circuit Diagram
G08568515