LEMON Manuals: Even more car manuals for everyone
Home >> Honda >> 2013 >> Insight Base >> Repair and Diagnosis (Single Page) >> Engine Performance >> System >> Advanced Diagnostics >> DTC P1891: Problem in Start Clutch Control System >> Notes

DTC P1891: Problem in Start Clutch Control System: Notes

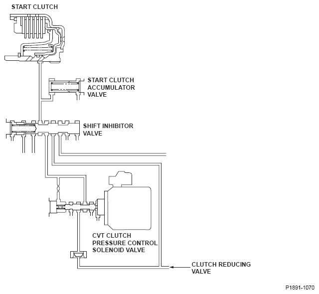
Fig 1: Start Clutch Control - System Diagram
G06617658
Fig 2: Start Clutch Control System Throttle Position Versus Vehicle Speed Graph
G06617659