LEMON Manuals: Even more car manuals for everyone
Home >> Honda >> 2013 >> Fit Base, Automatic Trans >> Repair and Diagnosis >> Body & Frame >> Windows >> Power Windows >> Circuit Diagram

Circuit Diagram

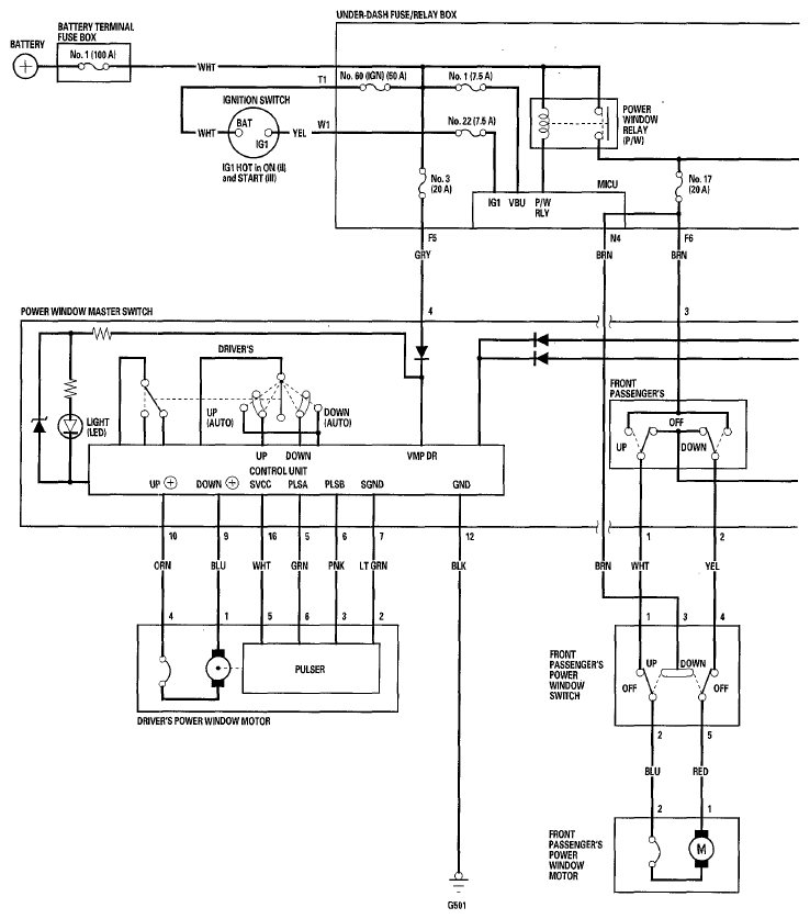
Fig 1: Identifying Power Window Control Unit - Circuit Diagram (1 Of 2)
G05960053Courtesy of AMERICAN HONDA MOTOR CO., INC.
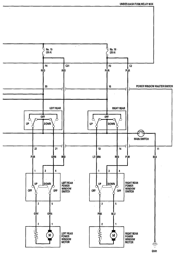
Fig 2: Identifying Power Window Control Unit - Circuit Diagram (2 Of 2)
G05960054Courtesy of AMERICAN HONDA MOTOR CO., INC.