LEMON Manuals: Even more car manuals for everyone
Home >> Honda >> 2012 >> Ridgeline RT >> Repair and Diagnosis >> Engine Performance >> System >> Fuel And Emissions Systems >> System Description >> Electronic Throttle Control System >> Accelerator Pedal Position (APP) Sensor

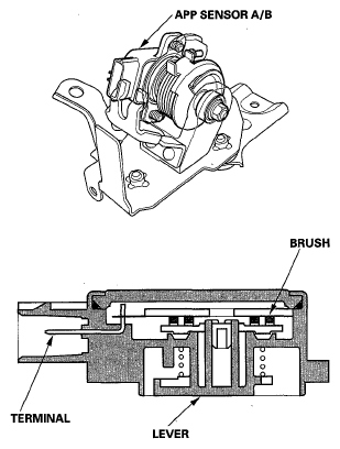
Accelerator Pedal Position (APP) Sensor

As the accelerator pedal position changes, the sensor varies the signal voltage to the PCM which then controls the throttle position.

Fig 1: Identifying APP Sensor (A/B) And Accelerator Pedal Module
G05964328Courtesy of AMERICAN HONDA MOTOR CO., INC.