LEMON Manuals: Even more car manuals for everyone
Home >> Honda >> 2012 >> Odyssey EX >> Repair and Diagnosis >> External Pages >> Different car >> Section 20 (Security System / Keyless Entry System - Testing & Troubleshooting) >> Circuit Diagram >> Keyless/Power Door Locks/Security System Circuit Diagram

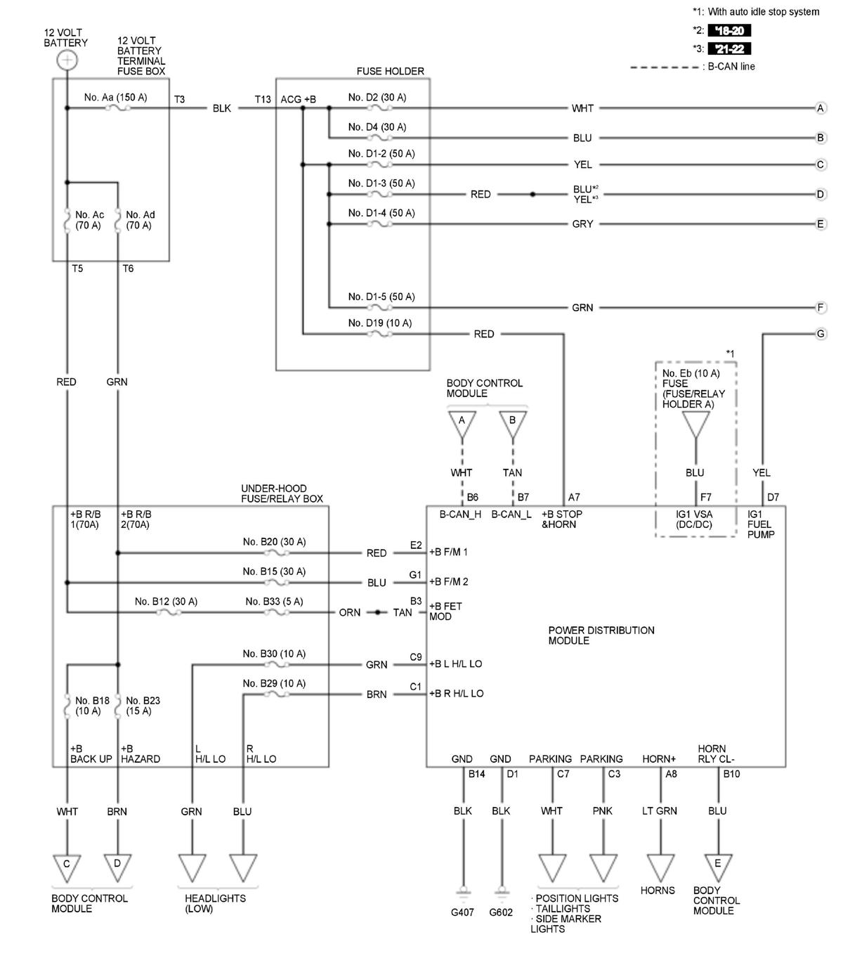
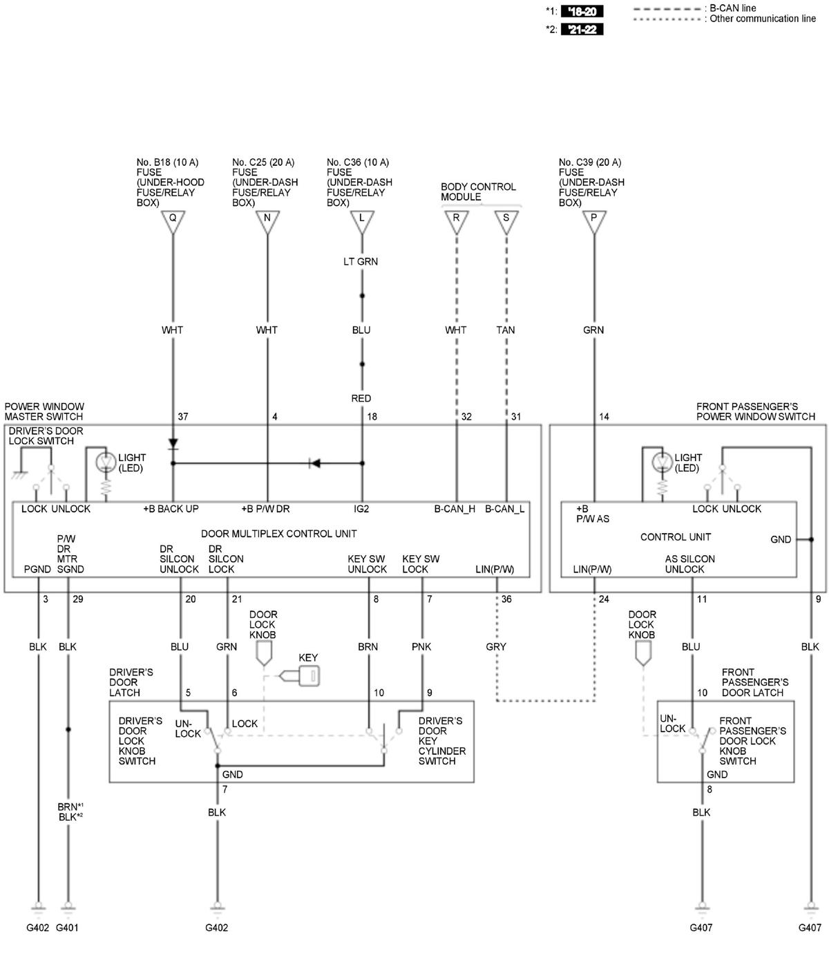
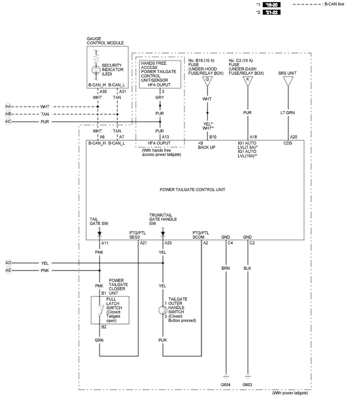
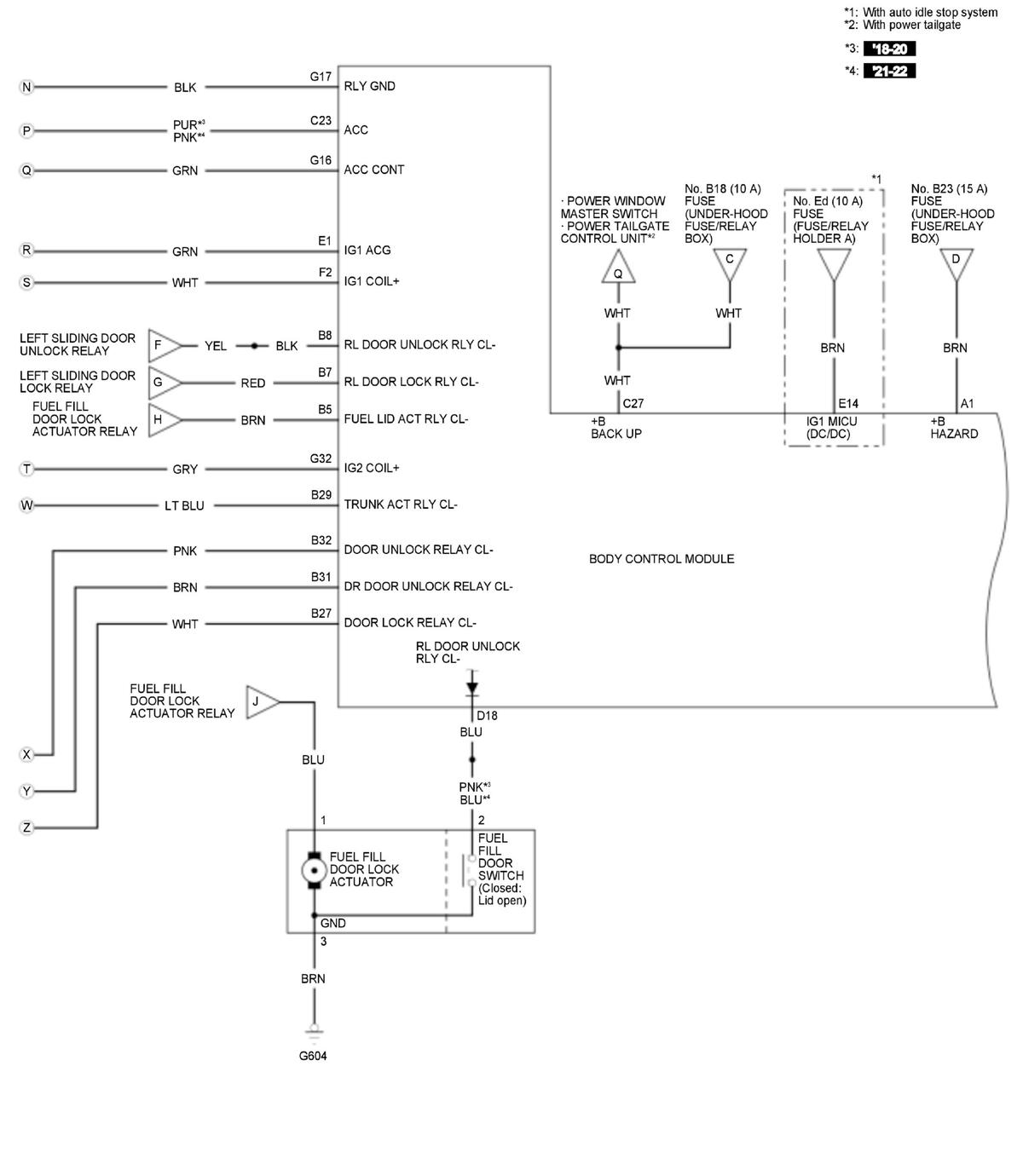
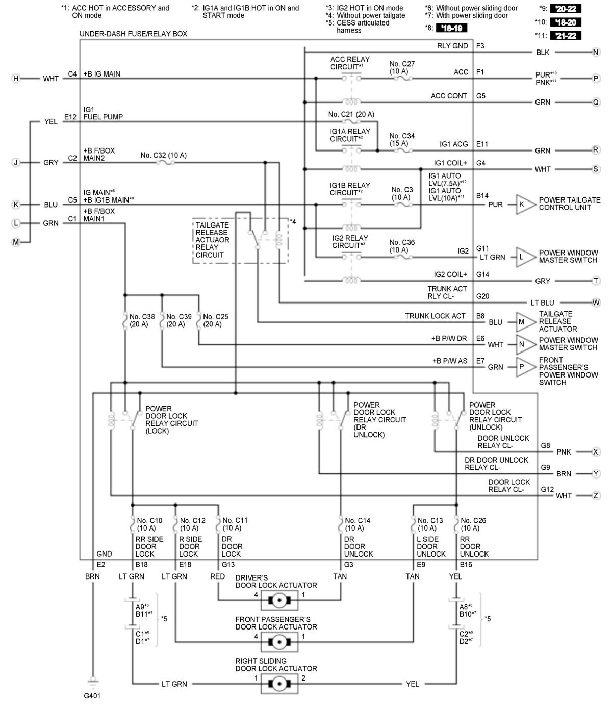
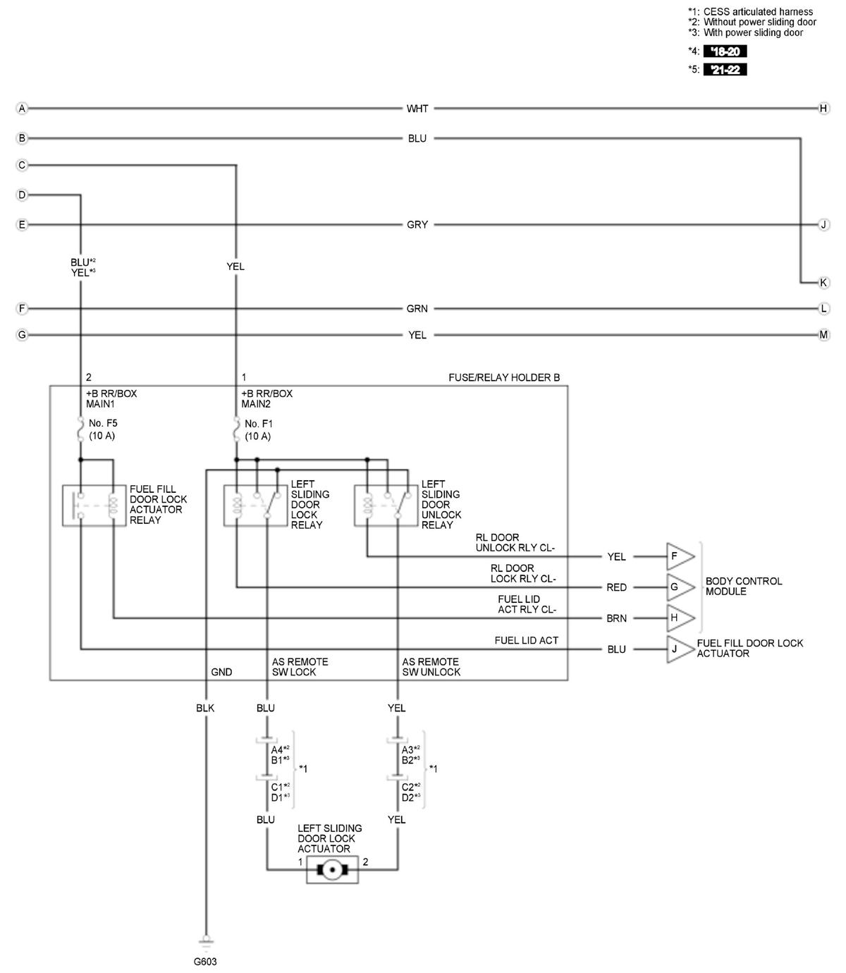
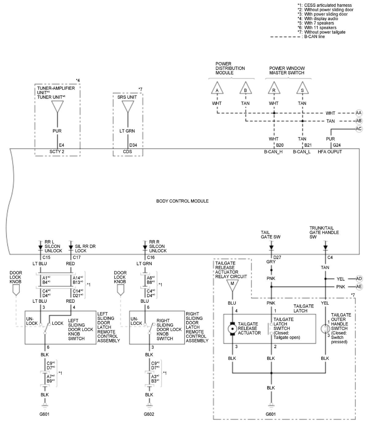
Keyless/Power Door Locks/Security System Circuit Diagram

WARNING: This page does not describe the selected car, but rather 8 other vehicles, including the 2025 Honda Odyssey, 2024 Honda Odyssey, 2023 Honda Odyssey, 2022 Honda Odyssey, and 2021 Honda Odyssey. However, it is still accessible from the selected car via links, so may be relevant.
GHH447345Courtesy of HONDA, U.S.A., INC.
GHH447346Courtesy of HONDA, U.S.A., INC.
GHH447347Courtesy of HONDA, U.S.A., INC.
GHH447348Courtesy of HONDA, U.S.A., INC.
GHH447349Courtesy of HONDA, U.S.A., INC.
GHH447350Courtesy of HONDA, U.S.A., INC.
GHH447351Courtesy of HONDA, U.S.A., INC.
GHH447352Courtesy of HONDA, U.S.A., INC.