LEMON Manuals: Even more car manuals for everyone
Home >> Honda >> 2012 >> Odyssey EX >> Repair and Diagnosis >> External Pages >> Different car >> Section 20 (Security System / Keyless Entry System - Testing & Troubleshooting) >> Circuit Diagram >> Keyless Access System Circuit Diagram

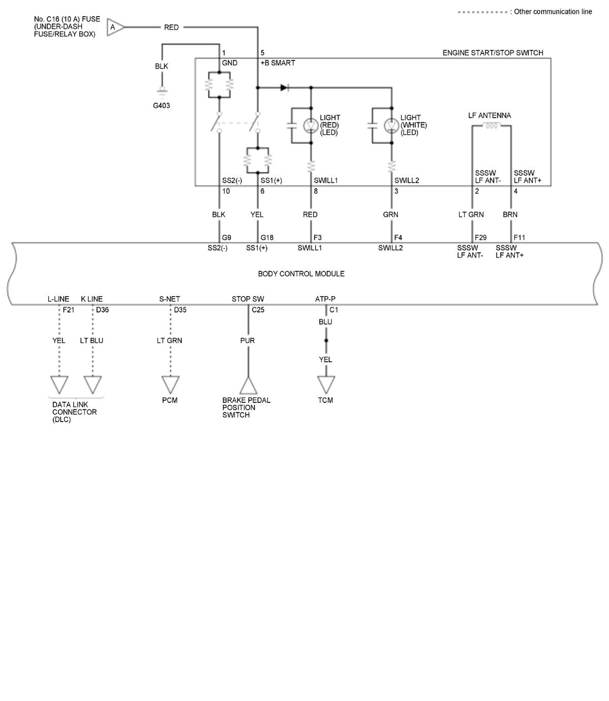
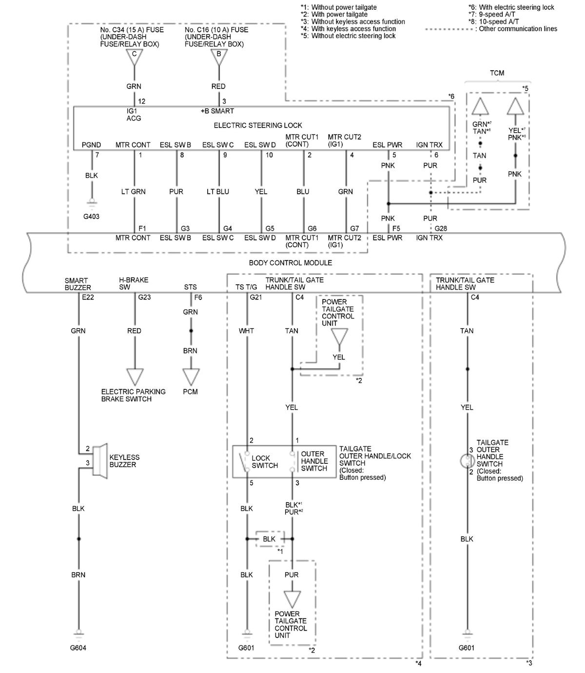
Keyless Access System Circuit Diagram

WARNING: This page does not describe the selected car, but rather 8 other vehicles, including the 2025 Honda Odyssey, 2024 Honda Odyssey, 2023 Honda Odyssey, 2022 Honda Odyssey, and 2021 Honda Odyssey. However, it is still accessible from the selected car via links, so may be relevant.
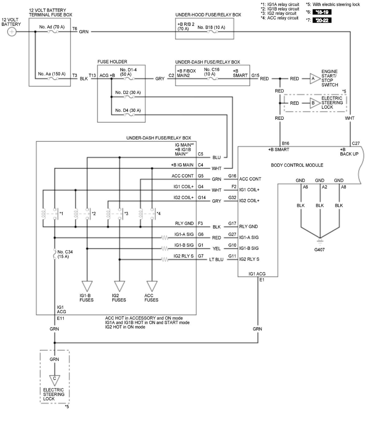
GHH447339Courtesy of HONDA, U.S.A., INC.
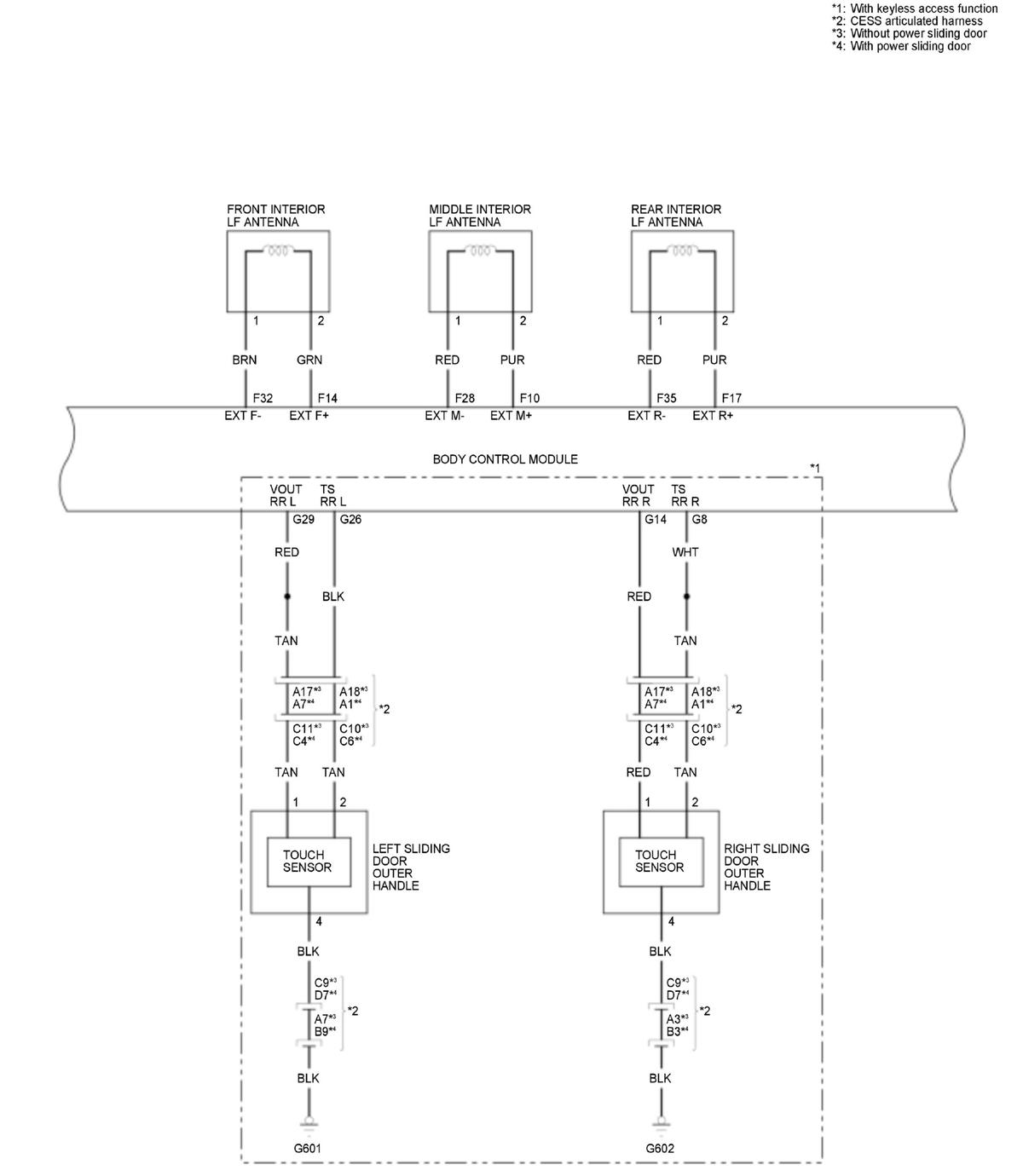
GHH447340Courtesy of HONDA, U.S.A., INC.
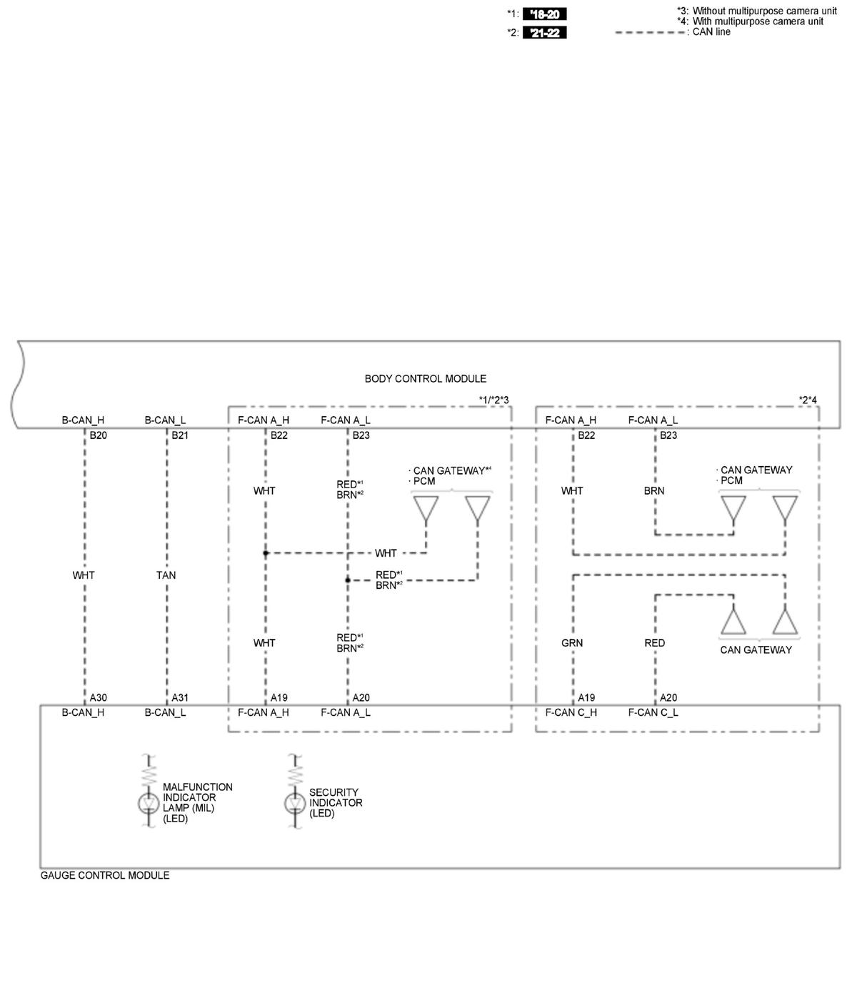
GHH447341Courtesy of HONDA, U.S.A., INC.
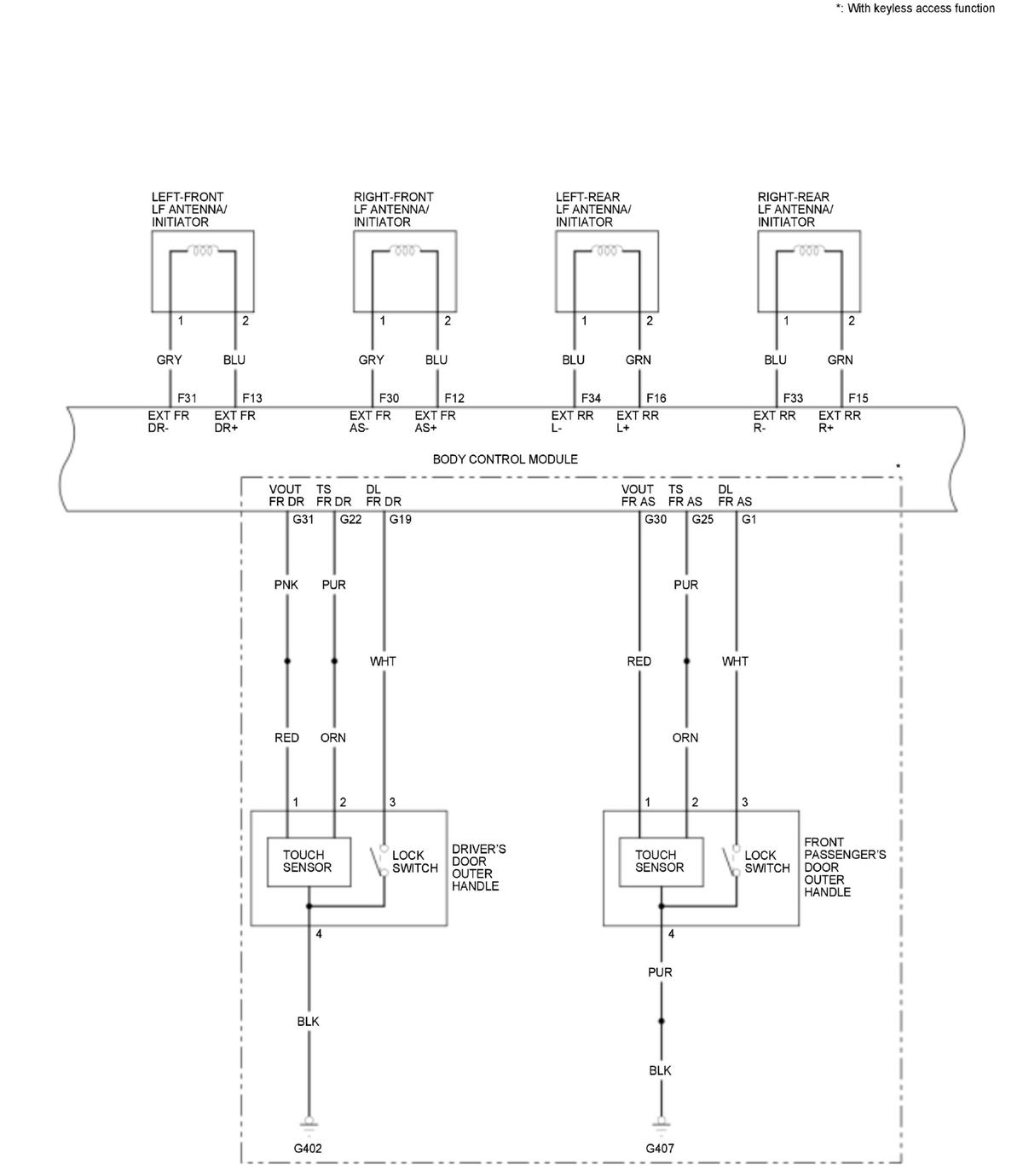
GHH447342Courtesy of HONDA, U.S.A., INC.
GHH447343Courtesy of HONDA, U.S.A., INC.
GHH447344Courtesy of HONDA, U.S.A., INC.