LEMON Manuals: Even more car manuals for everyone
Home >> Honda >> 2012 >> Odyssey EX >> Repair and Diagnosis >> Engine Performance >> System >> Fuel And Emissions Systems >> System Description >> Communication Systems Circuit Diagram

Communication Systems Circuit Diagram

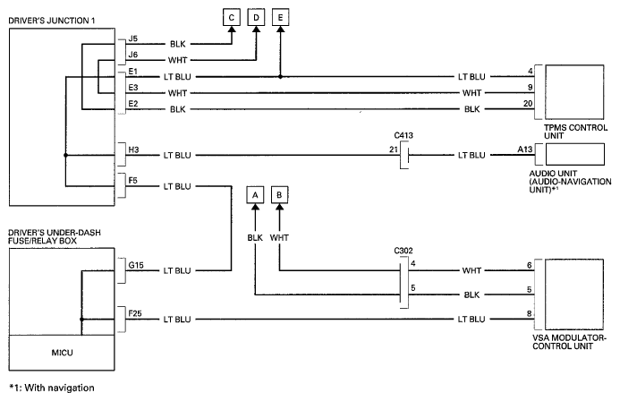
Fig 1: Communication Systems Circuit Diagram (1 Of 2)
G06963724Courtesy of AMERICAN HONDA MOTOR CO., INC.
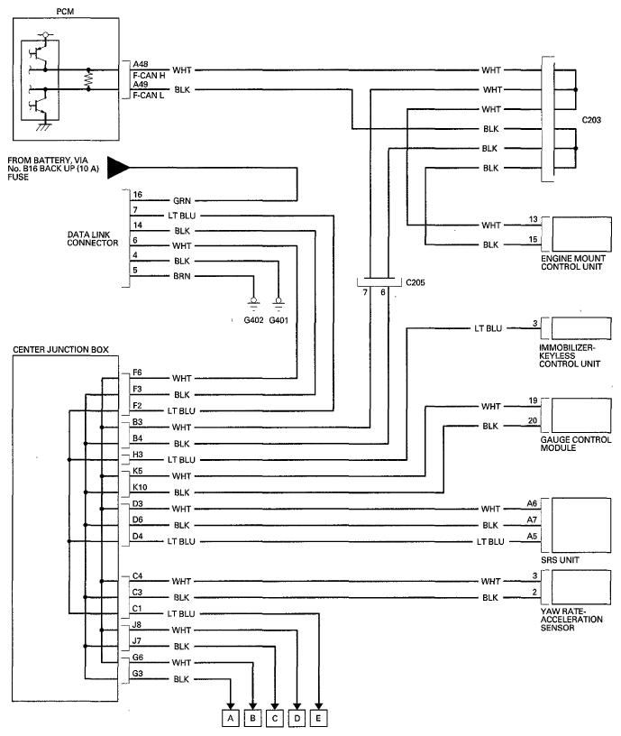
Fig 2: Communication Systems Circuit Diagram (2 Of 2)
G06963725Courtesy of AMERICAN HONDA MOTOR CO., INC.