LEMON Manuals: Even more car manuals for everyone
Home >> Honda >> 2012 >> Insight Base >> Repair and Diagnosis >> Body & Frame >> Windows >> Power Windows >> Circuit Diagram

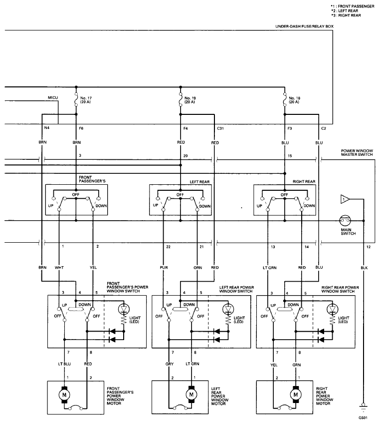
Circuit Diagram

Fig 1: Power Windows - Circuit Diagram (1 Of 2)
G08094714Courtesy of AMERICAN HONDA MOTOR CO., INC.
Fig 2: Power Windows - Circuit Diagram (2 Of 2)
G08094715Courtesy of AMERICAN HONDA MOTOR CO., INC.