LEMON Manuals: Even more car manuals for everyone
Home >> Honda >> 2012 >> Insight Base >> Repair and Diagnosis (Single Page) >> Engine Performance >> System >> Advanced Diagnostics >> DTC P2101: Electronic Throttle Control System (ETCS) Malfunction >> Notes

DTC P2101: Electronic Throttle Control System (ETCS) Malfunction: Notes

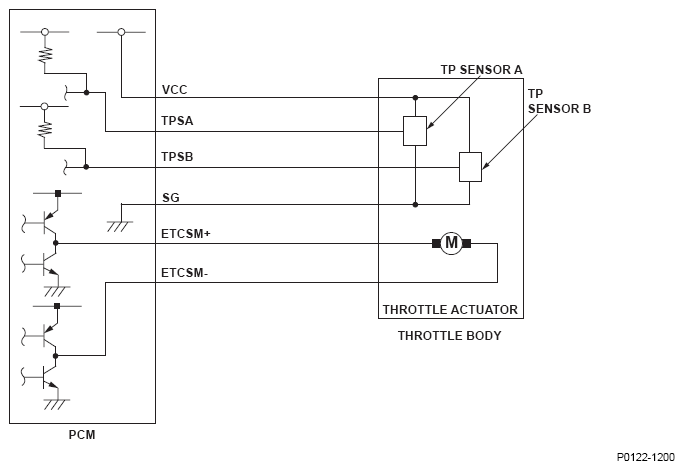
Fig 1: Electronic Throttle Control System (ETCS) - Circuit Diagram
G08568422